
Щелевые каналы ACO Modular
Щелевые каналы АСО Modular из нержавеющей стали применяются там, где важно соответствие гигиеническим нормативам, стойкость и долговечность.
Для поддержания чистоты и безопасной, в гигиеническом отношении, среды, на участках обработки пищевых продуктов важно, чтобы элементы сливных систем проектировались и изготавливались в соответствии со строгими нормативами, обеспечивающими минимальное скопление бактерий.
Щелевые каналы ACO Modular из нержавеющей стали изготавливаются и испытываются в соответствии с требованиями стандарта EN 1433 — Системы водоотвода в зданиях.
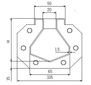
Щелевые каналы АСО это простая системы элементов выстраиваемая в линию любой формы. Щелевые каналы АСО не требуют решетки, изготавливаются из 1,5 мм нержавеющей стали марок 304 и 316. Щелевые каналы служат границей между сухой и влажной поверхностью. Система устойчива к тяжелым нагрузкам и выпускается с разными типами кантов. Выбор типа канта зависит от покрытия пола. Ширина щели составляет 20 мм, что позволяет перемещать по полу грузовые тележки и любую рабочую технику. Длина щели позволяет с легкостью прочистить систему каналов.
Класс нагрузки до С 250 (значки классов нагрузки до С 250).
Каналы ACO Modular 20
- Универсальность. Создании линии каналов любой конфигурации
- Надежность. Толщина стали 1.5 мм
- Простота монтажа. Надежное фланцевое соединение с трапом
- Заполнение окантовки верхней части каналов в стандартной комплектации, обспечивают гигиеничность и долговечность
- Ширина кромки щелевого канала (часть на поверхности) всего 20мм , трап, встроенный в канал, накрывается решеткой
- Системы модульных каналов представлены профилями шириной 125 и 200 мм, решетки накрывают весь модульный канал по периметру.
- Сифон — блокирует запах из системы канализации
- Полное соответствие норме EN1433 (маркировка CE)
- Все элементы системы проходят полную пассивацию
- Внутренняя ширина канала 20 мм V-образная форма канала
- Кант с уплотнителем в стандартной комплектации
- Высокая гигиеничность трапа благодаря хорошей контурной обработке, минимальному количеству сварных швов
- Соответствие нормам EN 1672 и EN ISO 14159
- V-образная форма не дает воде застаиваться в основании трапа
- Телескопическое соединение трапа с каналом
- Трап без фланца, трап с фланцем для приклеивания гидроизоляции, трап с зажимным фланцем
- Каналы доступны с уклоном дна
- Соответствие маркам нержавеющей стали: 304 и 316L
Защитные крышки ACO
Особенности и преимущества:
Защита от строительного мусора
Устраняет необходимость очистки системы после установки
Предотвращает травмы на рабочем месте
Сертифицировано в соответствии с EN 12811-1 для класса нагрузки 3
Для заказа
Для стандартных товаров добавьте _C в конце артикула товара (пример: 111111_C)
Для полустандартных и нестандартных изделий укажите эту опцию в процессе заказа
- Сифон — блокирует запах из системы канализации
- Полное соответствие норме EN1433 (маркировка CE)
- Все элементы системы проходят полную пассивацию
- Внутренняя ширина канала 20 мм V-образная форма канала
- Кант с уплотнителем в стандартной комплектации
- Высокая гигиеничность трапа благодаря хорошей контурной обработке, минимальному количеству сварных швов
- Соответствие нормам EN 1672 и EN ISO 14159
- V-образная форма не дает воде застаиваться в основании трапа
- Телескопическое соединение трапа с каналом
- Трап без фланца, трап с фланцем для приклеивания гидроизоляции, трап с зажимным фланцем
- Каналы доступны с уклоном дна
- Соответствие маркам нержавеющей стали: 304 и 316L
Защитные крышки ACO
Особенности и преимущества:
Защита от строительного мусора
Устраняет необходимость очистки системы после установки
Предотвращает травмы на рабочем месте
Сертифицировано в соответствии с EN 12811-1 для класса нагрузки 3
Для заказа
Для стандартных товаров добавьте _C в конце артикула товара (пример: 111111_C)
Для полустандартных и нестандартных изделий укажите эту опцию в процессе заказа






