Жироотделители ACO LipuJet-S-O
Модели марки LipuJet-S-O – группа жироотделителей с корпусами, изготовляемыми из нержавеющей стали марки 316 (S), овальной, в плане, формы (О). Номенклатура моделей включает в себя несколько уровней комплектации различным дополнительным оборудованием, позволяющим комфортно, и с соблюдением гигиены, эксплуатировать жироотделители внутри зданий.
К числу дополнительного оборудования относятся:
- устройство внутренней промывки под давлением;
- насос откачки содержимого жироотделителя;
- встроенная напорная труба для откачки жироотделителя;
- контроль уровня жира и .т.д
Выбор модели и уровня ее комплектации зависит от параметров:
- местоположение жироотделителя внутри здания;
- расход производственных стоков, поступающих в жироотделитель;
- высота подъема стоков при откачке жироотделителя и другие.
Lipujet-S-OB
- Базовая модель;
- Корпус из нержавеющей стали марки 316;
- Патрубки входа и выхода обеспечивают соединение с системой канализации;
- При комплектации шаровым краном для наполнения отделителя водой, предусмотрен «разрыв струи»;
- Крышки инспекционных люков герметично закрываются в верхней части корпуса;
- Откачка и промывка проводится через люки в верхней части корпуса;
- На корпусе предусмотрен патрубок DN100 для подсоединения вентиляционной трубы.

Артикулы
| Пропуск.способность (расход) л/с. | Диаметр патрубков входа выхода | Объем осадка л. | Объем жира л. | Общий объем | Вес кг пустой | Вес кг полный | Артикул |
| NS 1 | DN 100 | 100 | 100 | 320 | 130 | 450 | 7551.34.00 |
| NS 2 | DN 100 | 200 | 100 | 440 | 135 | 575 | 7552.34.00 |
| NS 3 | DN 100 | 300 | 150 | 630 | 155 | 785 | 7553.34.00 |
| NS 4 | DN 100 | 400 | 200 | 830 | 175 | 1005 | 7554.34.00 |
| NS 5.5 | DN 150 | 550 | 360 | 1430 | 230 | 1660 | 7555.34.00 |
| NS 7 | DN 150 | 700 | 400 | 1600 | 255 | 1855 | 7557.34.00 |
| NS 8.5 | DN 1500 | 850 | 475 | 1900 | 295 | 2195 | 7558.34.00 |
| NS 10 | DN 150 | 1000 | 520 | 2000 | 315 | 2315 | 7560.34.00 |
Размеры
| Пропускная способность (расход) л/с. | L1 мм | L2 мм | L3 мм | H1 мм | H2 мм | H3 мм | H4 мм | B1 мм | B2 мм | D мм |
| NS 1 | 905 | 1100 | 115 | 830 | 760 | 1200 | 1550 | 675 | 760 | 110 |
| NS 2 | 905 | 1100 | 115 | 1055 | 985 | 1320 | 1700 | 675 | 760 | 110 |
| NS 3 | 1255 | 1450 | 115 | 1055 | 985 | 1320 | 1700 | 675 | 760 | 110 |
| NS 4 | 1605 | 1800 | 115 | 1055 | 985 | 1320 | 1700 | 675 | 760 | 110 |
| NS 5.5 | 1655 | 1920 | 115 | 1255 | 1185 | 1570 | 1950 | 925 | 1010 | 160 |
| NS 7 | 1855 | 2120 | 115 | 1255 | 1185 | 1570 | 1950 | 925 | 1010 | 160 |
| NS 8.5 | 2155 | 2420 | 115 | 1255 | 1185 | 1570 | 1950 | 925 | 1010 | 160 |
| NS 10 | 2345 | 2610 | 115 | 1255 | 1185 | 1570 | 1950 | 925 | 1010 | 160 |
Чертежи жироотделителей ACO в формате AutoCad
Жироотделители ACO LipuJet-S-OB NS 1.dxf
Жироотделители ACO LipuJet-S-OB NS 2.dxf
Жироотделители ACO LipuJet-S-OB NS 3.dxf
Жироотделители ACO LipuJet-S-OB NS 4.dxf
Жироотделители ACO LipuJet-S-OB NS 5.5.dxf
Жироотделители ACO LipuJet-S-OB NS 7.dxf
Жироотделители ACO LipuJet-S-OB NS 8.5.dxf
Жироотделители ACO LipuJet-S-OB NS 10.dxf
BIM модели жироотделителей ACO
Жироотделители ACO LipuJet-S-OB NS 1.ifc
Жироотделители ACO LipuJet-S-OB NS 2.ifc
Жироотделители ACO LipuJet-S-OB NS 3.ifc
Жироотделители ACO LipuJet-S-OB NS 4.ifc
Жироотделители ACO LipuJet-S-OB NS 5.5.ifc
Жироотделители ACO LipuJet-S-OB NS 7.ifc
Жироотделители ACO LipuJet-S-OB NS 8.5.ifc
Жироотделители ACO LipuJet-S-OB NS 10.ifc
Артикулы
| Пропуск.способность (расход) л/с. | Диаметр патрубков входа выхода | Объем осадка л. | Объем жира л. | Общий объем | Вес кг пустой | Вес кг полный | Артикул |
| NS 1 | DN 100 | 100 | 100 | 320 | 130 | 450 | 7551.34.00 |
| NS 2 | DN 100 | 200 | 100 | 440 | 135 | 575 | 7552.34.00 |
| NS 3 | DN 100 | 300 | 150 | 630 | 155 | 785 | 7553.34.00 |
| NS 4 | DN 100 | 400 | 200 | 830 | 175 | 1005 | 7554.34.00 |
| NS 5.5 | DN 150 | 550 | 360 | 1430 | 230 | 1660 | 7555.34.00 |
| NS 7 | DN 150 | 700 | 400 | 1600 | 255 | 1855 | 7557.34.00 |
| NS 8.5 | DN 1500 | 850 | 475 | 1900 | 295 | 2195 | 7558.34.00 |
| NS 10 | DN 150 | 1000 | 520 | 2000 | 315 | 2315 | 7560.34.00 |
Размеры
| Пропускная способность (расход) л/с. | L1 мм | L2 мм | L3 мм | H1 мм | H2 мм | H3 мм | H4 мм | B1 мм | B2 мм | D мм |
| NS 1 | 905 | 1100 | 115 | 830 | 760 | 1200 | 1550 | 675 | 760 | 110 |
| NS 2 | 905 | 1100 | 115 | 1055 | 985 | 1320 | 1700 | 675 | 760 | 110 |
| NS 3 | 1255 | 1450 | 115 | 1055 | 985 | 1320 | 1700 | 675 | 760 | 110 |
| NS 4 | 1605 | 1800 | 115 | 1055 | 985 | 1320 | 1700 | 675 | 760 | 110 |
| NS 5.5 | 1655 | 1920 | 115 | 1255 | 1185 | 1570 | 1950 | 925 | 1010 | 160 |
| NS 7 | 1855 | 2120 | 115 | 1255 | 1185 | 1570 | 1950 | 925 | 1010 | 160 |
| NS 8.5 | 2155 | 2420 | 115 | 1255 | 1185 | 1570 | 1950 | 925 | 1010 | 160 |
| NS 10 | 2345 | 2610 | 115 | 1255 | 1185 | 1570 | 1950 | 925 | 1010 | 160 |
Чертежи жироотделителей ACO в формате AutoCad
Жироотделители ACO LipuJet-S-OB NS 1.dxf
Жироотделители ACO LipuJet-S-OB NS 2.dxf
Жироотделители ACO LipuJet-S-OB NS 3.dxf
Жироотделители ACO LipuJet-S-OB NS 4.dxf
Жироотделители ACO LipuJet-S-OB NS 5.5.dxf
Жироотделители ACO LipuJet-S-OB NS 7.dxf
Жироотделители ACO LipuJet-S-OB NS 8.5.dxf
Жироотделители ACO LipuJet-S-OB NS 10.dxf
BIM модели жироотделителей ACO
Жироотделители ACO LipuJet-S-OB NS 1.ifc
Жироотделители ACO LipuJet-S-OB NS 2.ifc
Жироотделители ACO LipuJet-S-OB NS 3.ifc
Жироотделители ACO LipuJet-S-OB NS 4.ifc
Жироотделители ACO LipuJet-S-OB NS 5.5.ifc
Жироотделители ACO LipuJet-S-OB NS 7.ifc
Жироотделители ACO LipuJet-S-OB NS 8.5.ifc
Жироотделители ACO LipuJet-S-OB NS 10.ifc
LipuJet-S-OD
- Корпус из нержавеющей стали марки 316;
- Патрубки входа и выхода обеспечивают соединение с системой канализации;
- На корпусе предусмотрен патрубок DN100 для подсоединения вентиляционной трубы;
- При комплектации шаровым краном для наполнения отделителя водой, предусмотрен «разрыв струи».
- Модель укомплектована отводом напорной трубы, которая выводится из здания, к месту подхода утилизационной машины;
- Откачка жироотделителя выполняется через напорную трубу с улицы;
- Промывка выполняется через ревизионные люки в верхней части корпуса. Для выполнения промывки, необходимо наличие подвода водопровода в помещение жироотделителя. Промывка выполняется вручную, водопроводной водой, с помощью шлангов. Вода от промывки должна быть откачана утилизационной машиной.
Артикулы
| Пропуск.способность (расход) л/с. | Диаметр патрубков входа выхода | Объем осадка л. | Объем жира л. | Общий объем | Вес кг пустой | Вес кг полный | Артикул |
| NS 1 | DN 100 | 100 | 100 | 320 | 135 | 455 | 7551.64.00 |
| NS 2 | DN 100 | 200 | 100 | 440 | 140 | 580 | 7552.64.00 |
| NS 3 | DN 100 | 300 | 150 | 630 | 160 | 790 | 7553.64.00 |
| NS 4 | DN 100 | 400 | 200 | 830 | 180 | 1010 | 7554.64.00 |
| NS 5.5 | DN 150 | 550 | 360 | 1430 | 245 | 1675 | 7555.64.00 |
| NS 7 | DN 150 | 700 | 400 | 1600 | 260 | 1860 | 7557.64.00 |
| NS 8.5 | DN 1500 | 850 | 475 | 1900 | 300 | 2200 | 7558.64.00 |
| NS 10 | DN 150 | 1000 | 520 | 2000 | 320 | 2320 | 7560.64.00 |
Размеры
| Пропускная способность (расход) л/с. | L1 мм | L2 мм | L3 мм | H1 мм | H2 мм | H3 мм | H4 мм | H5 мм | B1 мм | B2 мм | D мм |
| NS 1 | 905 | 1100 | 115 | 830 | 760 | 1200 | 1380 | 1550 | 675 | 760 | 110 |
| NS 2 | 905 | 1100 | 115 | 1055 | 985 | 1320 | 1500 | 1700 | 675 | 760 | 110 |
| NS 3 | 1255 | 1450 | 115 | 1055 | 985 | 1320 | 1500 | 1700 | 675 | 760 | 110 |
| NS 4 | 1605 | 1800 | 115 | 1055 | 985 | 1320 | 1500 | 1700 | 675 | 760 | 110 |
| NS 5.5 | 1655 | 1920 | 115 | 1255 | 1185 | 1570 | 1750 | 1950 | 825 | 1010 | 160 |
| NS 7 | 1855 | 2120 | 115 | 1255 | 1185 | 1570 | 1750 | 1950 | 825 | 1010 | 160 |
| NS 8.5 | 2155 | 2420 | 115 | 1255 | 1185 | 1570 | 1750 | 1950 | 825 | 1010 | 160 |
| NS 10 | 2345 | 2610 | 115 | 1255 | 1185 | 1570 | 1750 | 1950 | 825 | 1010 | 160 |
Чертежи жироотделителей ACO в формате AutoCad
Жироотделители ACO LipuJet-S-OB NS 1.dxf
Жироотделители ACO LipuJet-S-OB NS 2.dxf
Жироотделители ACO LipuJet-S-OB NS 3.dxf
Жироотделители ACO LipuJet-S-OB NS 4.dxf
Жироотделители ACO LipuJet-S-OB NS 5.5.dxf
Жироотделители ACO LipuJet-S-OB NS 7.dxf
Жироотделители ACO LipuJet-S-OB NS 8.5.dxf
Жироотделители ACO LipuJet-S-OB NS 10.dxf
BIM модели жироотделителей ACO
Жироотделители ACO LipuJet-S-OD NS 1.ifc
Жироотделители ACO LipuJet-S-OD NS 2.ifc
Жироотделители ACO LipuJet-S-OD NS 3.ifc
Жироотделители ACO LipuJet-S-OD NS 4.ifc
Жироотделители ACO LipuJet-S-OD NS 5.5.ifc
Жироотделители ACO LipuJet-S-OD NS 7.ifc
Жироотделители ACO LipuJet-S-OD NS 8.5.ifc
Жироотделители ACO LipuJet-S-OD NS 10.ifc
Артикулы
| Пропуск.способность (расход) л/с. | Диаметр патрубков входа выхода | Объем осадка л. | Объем жира л. | Общий объем | Вес кг пустой | Вес кг полный | Артикул |
| NS 1 | DN 100 | 100 | 100 | 320 | 135 | 455 | 7551.64.00 |
| NS 2 | DN 100 | 200 | 100 | 440 | 140 | 580 | 7552.64.00 |
| NS 3 | DN 100 | 300 | 150 | 630 | 160 | 790 | 7553.64.00 |
| NS 4 | DN 100 | 400 | 200 | 830 | 180 | 1010 | 7554.64.00 |
| NS 5.5 | DN 150 | 550 | 360 | 1430 | 245 | 1675 | 7555.64.00 |
| NS 7 | DN 150 | 700 | 400 | 1600 | 260 | 1860 | 7557.64.00 |
| NS 8.5 | DN 1500 | 850 | 475 | 1900 | 300 | 2200 | 7558.64.00 |
| NS 10 | DN 150 | 1000 | 520 | 2000 | 320 | 2320 | 7560.64.00 |
Размеры
| Пропускная способность (расход) л/с. | L1 мм | L2 мм | L3 мм | H1 мм | H2 мм | H3 мм | H4 мм | H5 мм | B1 мм | B2 мм | D мм |
| NS 1 | 905 | 1100 | 115 | 830 | 760 | 1200 | 1380 | 1550 | 675 | 760 | 110 |
| NS 2 | 905 | 1100 | 115 | 1055 | 985 | 1320 | 1500 | 1700 | 675 | 760 | 110 |
| NS 3 | 1255 | 1450 | 115 | 1055 | 985 | 1320 | 1500 | 1700 | 675 | 760 | 110 |
| NS 4 | 1605 | 1800 | 115 | 1055 | 985 | 1320 | 1500 | 1700 | 675 | 760 | 110 |
| NS 5.5 | 1655 | 1920 | 115 | 1255 | 1185 | 1570 | 1750 | 1950 | 825 | 1010 | 160 |
| NS 7 | 1855 | 2120 | 115 | 1255 | 1185 | 1570 | 1750 | 1950 | 825 | 1010 | 160 |
| NS 8.5 | 2155 | 2420 | 115 | 1255 | 1185 | 1570 | 1750 | 1950 | 825 | 1010 | 160 |
| NS 10 | 2345 | 2610 | 115 | 1255 | 1185 | 1570 | 1750 | 1950 | 825 | 1010 | 160 |
Чертежи жироотделителей ACO в формате AutoCad
Жироотделители ACO LipuJet-S-OB NS 1.dxf
Жироотделители ACO LipuJet-S-OB NS 2.dxf
Жироотделители ACO LipuJet-S-OB NS 3.dxf
Жироотделители ACO LipuJet-S-OB NS 4.dxf
Жироотделители ACO LipuJet-S-OB NS 5.5.dxf
Жироотделители ACO LipuJet-S-OB NS 7.dxf
Жироотделители ACO LipuJet-S-OB NS 8.5.dxf
Жироотделители ACO LipuJet-S-OB NS 10.dxf
BIM модели жироотделителей ACO
Жироотделители ACO LipuJet-S-OD NS 1.ifc
Жироотделители ACO LipuJet-S-OD NS 2.ifc
Жироотделители ACO LipuJet-S-OD NS 3.ifc
Жироотделители ACO LipuJet-S-OD NS 4.ifc
Жироотделители ACO LipuJet-S-OD NS 5.5.ifc
Жироотделители ACO LipuJet-S-OD NS 7.ifc
Жироотделители ACO LipuJet-S-OD NS 8.5.ifc
Жироотделители ACO LipuJet-S-OD NS 10.ifc
Lipujet-S-OM
- Корпус из нержавеющей стали марки 316;
- Патрубки входа и выхода обеспечивают соединение с системой канализации;
- На корпусе предусмотрен патрубок DN100 для подсоединения вентиляционной трубы;
- Между шаровым краном для наполнения водой и сифоном отделителя предусмотрен «разрыв струи»;
- Модель изготавливается в двух вариантах установки инспекционного окна – операционная сторона слева или операционная сторона справа, для обеспечения удобства контроля за уровнем жира через инспекционное окно. Выбор варианта зависит от расположения жироотделителя в помещении по отношению к направлению движения канализационного стока;
- Управление процессом откачки выполняется вручную, т.е. все устройства, обеспечивающие откачку и промывку, запускаются техником.
Модель оснащена устройствами:
- Система внутренней промывки – насос высокого давления 175 бар и моющая головка с форсунками;
- Отвод напорной трубы для вывода на фасад здания с муфтой для подключения шланга утилизационной машины;
- Инспекционное окно со стеклоочистителем;
- Шаровой кран для наполнения водой и регулятор давления.
- Потребность в электропитании: 400 В/50 Гц/3.9 кВт

Артикулы
Операционная сторона справа
| Пропуск.способность (расход) л/с. | Диаметр патрубков входа выхода | Объем осадка л. | Объем жира л. | Общий объем | Вес кг пустой | Вес кг полный | Артикул |
| NS 1 | DN 100 | 100 | 100 | 320 | 165 | 485 | 7571.74.41 |
| NS 2 | DN 100 | 200 | 100 | 440 | 170 | 610 | 7572.74.41 |
| NS 3 | DN 100 | 300 | 150 | 630 | 190 | 820 | 7573.74.41 |
| NS 4 | DN 100 | 400 | 200 | 830 | 210 | 1040 | 7574.74.41 |
| NS 5.5 | DN 150 | 550 | 360 | 1430 | 280 | 1710 | 7575.74.41 |
| NS 7 | DN 150 | 700 | 400 | 1600 | 290 | 1890 | 7577.74.41 |
| NS 8.5 | DN 1500 | 850 | 475 | 1900 | 330 | 2230 | 7578.74.41 |
| NS 10 | DN 150 | 1000 | 520 | 2000 | 350 | 2350 | 7580.74.41 |
Операционная сторона слева
| Пропуск.способность (расход) л/с. | Диаметр патрубков входа выхода | Объем осадка л. | Объем жира л. | Общий объем | Вес кг пустой | Вес кг полный | Артикул |
| NS 1 | DN 100 | 100 | 100 | 320 | 165 | 485 | 7571.74.31 |
| NS 2 | DN 100 | 200 | 100 | 440 | 170 | 610 | 7572.74.31 |
| NS 3 | DN 100 | 300 | 150 | 630 | 190 | 820 | 7573.74.31 |
| NS 4 | DN 100 | 400 | 200 | 830 | 210 | 1040 | 7574.74.31 |
| NS 5.5 | DN 150 | 550 | 360 | 1430 | 280 | 1710 | 7575.74.31 |
| NS 7 | DN 150 | 700 | 400 | 1600 | 290 | 1890 | 7577.74.31 |
| NS 8.5 | DN 1500 | 850 | 475 | 1900 | 330 | 2230 | 7578.74.31 |
| NS 10 | DN 150 | 1000 | 520 | 2000 | 350 | 2350 | 7580.74.31 |
Размеры
| Пропускная способность (расход) л/с. | L1 мм | L2 мм | L3 мм | L4 мм | H1 мм | H2 мм | H3 мм | H4 мм | H5 мм | B1 мм | B2 мм | D мм |
| NS 1 | 905 | 1100 | 1320 | 115 | 830 | 760 | 1200 | 1380 | 1550 | 675 | 760 | 110 |
| NS 2 | 905 | 1100 | 1320 | 115 | 1055 | 985 | 1320 | 1500 | 1700 | 675 | 760 | 110 |
| NS 3 | 1255 | 1450 | 1670 | 115 | 1055 | 985 | 1320 | 1500 | 1700 | 675 | 760 | 110 |
| NS 4 | 1605 | 1800 | 2020 | 115 | 1055 | 985 | 1320 | 1500 | 1700 | 675 | 760 | 110 |
| NS 5.5 | 1655 | 1920 | 2070 | 115 | 1255 | 1185 | 1570 | 1750 | 1950 | 925 | 1010 | 160 |
| NS 7 | 1855 | 2120 | 2270 | 115 | 1255 | 1185 | 1570 | 1750 | 1950 | 925 | 1010 | 160 |
| NS 8.5 | 2155 | 2420 | 2570 | 115 | 1255 | 1185 | 1570 | 1750 | 1950 | 925 | 1010 | 160 |
| NS 10 | 2345 | 2610 | 2760 | 115 | 1255 | 1185 | 1570 | 1750 | 1950 | 925 | 1010 | 160 |
Чертежи жироотделителей ACO в формате AutoCad
Жироотделители ACO LipuJet-S-OM левый
Жироотделители ACO LipuJet-S-OM правый
BIM модели жироотделителей ACO
Жироотделители ACO LipuJet-S-OM операционная сторона слева
Жироотделители ACO LipuJet-S-OM операционная сторона справа
Артикулы
Операционная сторона справа
| Пропуск.способность (расход) л/с. | Диаметр патрубков входа выхода | Объем осадка л. | Объем жира л. | Общий объем | Вес кг пустой | Вес кг полный | Артикул |
| NS 1 | DN 100 | 100 | 100 | 320 | 165 | 485 | 7571.74.41 |
| NS 2 | DN 100 | 200 | 100 | 440 | 170 | 610 | 7572.74.41 |
| NS 3 | DN 100 | 300 | 150 | 630 | 190 | 820 | 7573.74.41 |
| NS 4 | DN 100 | 400 | 200 | 830 | 210 | 1040 | 7574.74.41 |
| NS 5.5 | DN 150 | 550 | 360 | 1430 | 280 | 1710 | 7575.74.41 |
| NS 7 | DN 150 | 700 | 400 | 1600 | 290 | 1890 | 7577.74.41 |
| NS 8.5 | DN 1500 | 850 | 475 | 1900 | 330 | 2230 | 7578.74.41 |
| NS 10 | DN 150 | 1000 | 520 | 2000 | 350 | 2350 | 7580.74.41 |
Операционная сторона слева
| Пропуск.способность (расход) л/с. | Диаметр патрубков входа выхода | Объем осадка л. | Объем жира л. | Общий объем | Вес кг пустой | Вес кг полный | Артикул |
| NS 1 | DN 100 | 100 | 100 | 320 | 165 | 485 | 7571.74.31 |
| NS 2 | DN 100 | 200 | 100 | 440 | 170 | 610 | 7572.74.31 |
| NS 3 | DN 100 | 300 | 150 | 630 | 190 | 820 | 7573.74.31 |
| NS 4 | DN 100 | 400 | 200 | 830 | 210 | 1040 | 7574.74.31 |
| NS 5.5 | DN 150 | 550 | 360 | 1430 | 280 | 1710 | 7575.74.31 |
| NS 7 | DN 150 | 700 | 400 | 1600 | 290 | 1890 | 7577.74.31 |
| NS 8.5 | DN 1500 | 850 | 475 | 1900 | 330 | 2230 | 7578.74.31 |
| NS 10 | DN 150 | 1000 | 520 | 2000 | 350 | 2350 | 7580.74.31 |
Размеры
| Пропускная способность (расход) л/с. | L1 мм | L2 мм | L3 мм | L4 мм | H1 мм | H2 мм | H3 мм | H4 мм | H5 мм | B1 мм | B2 мм | D мм |
| NS 1 | 905 | 1100 | 1320 | 115 | 830 | 760 | 1200 | 1380 | 1550 | 675 | 760 | 110 |
| NS 2 | 905 | 1100 | 1320 | 115 | 1055 | 985 | 1320 | 1500 | 1700 | 675 | 760 | 110 |
| NS 3 | 1255 | 1450 | 1670 | 115 | 1055 | 985 | 1320 | 1500 | 1700 | 675 | 760 | 110 |
| NS 4 | 1605 | 1800 | 2020 | 115 | 1055 | 985 | 1320 | 1500 | 1700 | 675 | 760 | 110 |
| NS 5.5 | 1655 | 1920 | 2070 | 115 | 1255 | 1185 | 1570 | 1750 | 1950 | 925 | 1010 | 160 |
| NS 7 | 1855 | 2120 | 2270 | 115 | 1255 | 1185 | 1570 | 1750 | 1950 | 925 | 1010 | 160 |
| NS 8.5 | 2155 | 2420 | 2570 | 115 | 1255 | 1185 | 1570 | 1750 | 1950 | 925 | 1010 | 160 |
| NS 10 | 2345 | 2610 | 2760 | 115 | 1255 | 1185 | 1570 | 1750 | 1950 | 925 | 1010 | 160 |
Чертежи жироотделителей ACO в формате AutoCad
Жироотделители ACO LipuJet-S-OM левый
Жироотделители ACO LipuJet-S-OM правый
BIM модели жироотделителей ACO
Жироотделители ACO LipuJet-S-OM операционная сторона слева
Жироотделители ACO LipuJet-S-OM операционная сторона справа
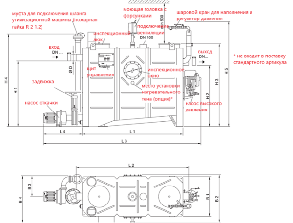
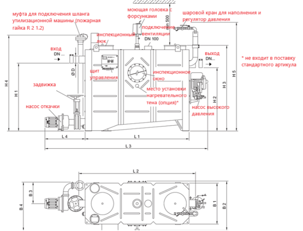
Lipujet-S-OMP
- Корпус из нержавеющей стали марки 316;
- Патрубки входа и выхода обеспечивают соединение с системой канализации;
- На корпусе предусмотрен патрубок DN100 для подсоединения вентиляционной трубы;
- Между шаровым краном для наполнения водой и сифоном отделителя предусмотрен «разрыв струи»;
- Модель изготавливается в двух вариантах установки инспекционного окна и щита управления – операционная сторона слева или операционная сторона справа, для обеспечения удобства эксплуатации. Выбор варианта зависит от расположения жироотделителя в помещении по отношению к направлению движения канализационного стока;
- Управление процессом откачки выполняется вручную, т.е. все устройства, обеспечивающие откачку и промывку, запускаются техником вручную со щита управления.
Модель оснащена устройствами:
- Система внутренней промывки – насос высокого давления 175 бар и моющая головка с форсунками;
- Отвод напорной трубы для вывода на фасад здания с муфтой для подключения шланга утилизационной машины;
- Инспекционное окно со стеклоочистителем;
- Шаровой кран для наполнения водой и регулятор давления;
- Насос откачки содержимого жироотделителя;
- Щит управления процессом откачки.
- Потребность в электропитании: 400 В/50 Гц/6.9 кВт

Артикулы
Операционная сторона справа
| Пропуск.способность (расход) л/с. | Диаметр патрубков входа выхода | Объем осадка л. | Объем жира л. | Общий объем | Вес кг пустой | Вес кг полный | Артикул |
| NS 1 | DN 100 | 100 | 100 | 320 | 215 | 535 | 7571.84.41 |
| NS 2 | DN 100 | 200 | 100 | 440 | 220 | 660 | 7572.84.41 |
| NS 3 | DN 100 | 300 | 150 | 630 | 240 | 870 | 7573.84.41 |
| NS 4 | DN 100 | 400 | 200 | 830 | 260 | 1090 | 7574.84.41 |
| NS 5.5 | DN 150 | 550 | 360 | 1430 | 335 | 1765 | 7575.84.41 |
| NS 7 | DN 150 | 700 | 400 | 1600 | 345 | 1915 | 7577.84.41 |
| NS 8.5 | DN 1500 | 850 | 475 | 1900 | 385 | 2285 | 7578.84.41 |
| NS 10 | DN 150 | 1000 | 520 | 2000 | 400 | 2400 | 7580.84.41 |
Операционная сторона слева
| Пропуск.способность (расход) л/с. | Диаметр патрубков входа выхода | Объем осадка л. | Объем жира л. | Общий объем | Вес кг пустой | Вес кг полный | Артикул |
| NS 1 | DN 100 | 100 | 100 | 320 | 215 | 535 | 7571.84.31 |
| NS 2 | DN 100 | 200 | 100 | 440 | 220 | 660 | 7572.84.31 |
| NS 3 | DN 100 | 300 | 150 | 630 | 240 | 870 | 7573.84.31 |
| NS 4 | DN 100 | 400 | 200 | 830 | 260 | 1090 | 7574.84.31 |
| NS 5.5 | DN 150 | 550 | 360 | 1430 | 335 | 1765 | 7575.84.31 |
| NS 7 | DN 150 | 700 | 400 | 1600 | 345 | 1915 | 7577.84.31 |
| NS 8.5 | DN 1500 | 850 | 475 | 1900 | 385 | 2285 | 7578.84.31 |
| NS 10 | DN 150 | 1000 | 520 | 2000 | 400 | 2400 | 7580.84.31 |
Размеры
| Пропускная способность (расход) л/с. | L1 мм | L2 мм | L3 мм | L4 мм | H1 мм | H2 мм | H3 мм | H4 мм | H5 мм | B1 мм | B2 мм | B3 мм | B4 мм | D мм |
| NS 1 | 905 | 1100 | 1320 | 115 | 830 | 760 | 1200 | 1380 | 1550 | 675 | 760 | 370 | 800 | 110 |
| NS 2 | 905 | 1100 | 1320 | 115 | 1055 | 985 | 1320 | 1500 | 1700 | 675 | 760 | 370 | 800 | 110 |
| NS 3 | 1255 | 1450 | 1670 | 115 | 1055 | 985 | 1320 | 1500 | 1700 | 675 | 760 | 370 | 800 | 110 |
| NS 4 | 1605 | 1800 | 2020 | 115 | 1055 | 985 | 1320 | 1500 | 1700 | 675 | 760 | 370 | 800 | 110 |
| NS 5.5 | 1655 | 1920 | 2070 | 115 | 1255 | 1185 | 1570 | 1750 | 1950 | 925 | 1010 | 450 | 1000 | 160 |
| NS 7 | 1855 | 2120 | 2270 | 115 | 1255 | 1185 | 1570 | 1750 | 1950 | 925 | 1010 | 450 | 1000 | 160 |
| NS 8.5 | 2155 | 2420 | 2570 | 115 | 1255 | 1185 | 1570 | 1750 | 1950 | 925 | 1010 | 450 | 1000 | 160 |
| NS 10 | 2345 | 2610 | 2760 | 115 | 1255 | 1185 | 1570 | 1750 | 1950 | 925 | 1010 | 450 | 1000 | 160 |
Чертежи жироотделителей ACO в формате AutoCad
Жироотделители ACO LipuJet-S-OMP операционная сторона слева
Жироотделители ACO LipuJet-S-OMP операционная сторона справа
BIM модели жироотделителей ACO
Жироотделители ACO LipuJet-S-OMP операционная сторона слева
Жироотделители ACO LipuJet-S-OMP операционная сторона справа
Артикулы
Операционная сторона справа
| Пропуск.способность (расход) л/с. | Диаметр патрубков входа выхода | Объем осадка л. | Объем жира л. | Общий объем | Вес кг пустой | Вес кг полный | Артикул |
| NS 1 | DN 100 | 100 | 100 | 320 | 215 | 535 | 7571.84.41 |
| NS 2 | DN 100 | 200 | 100 | 440 | 220 | 660 | 7572.84.41 |
| NS 3 | DN 100 | 300 | 150 | 630 | 240 | 870 | 7573.84.41 |
| NS 4 | DN 100 | 400 | 200 | 830 | 260 | 1090 | 7574.84.41 |
| NS 5.5 | DN 150 | 550 | 360 | 1430 | 335 | 1765 | 7575.84.41 |
| NS 7 | DN 150 | 700 | 400 | 1600 | 345 | 1915 | 7577.84.41 |
| NS 8.5 | DN 1500 | 850 | 475 | 1900 | 385 | 2285 | 7578.84.41 |
| NS 10 | DN 150 | 1000 | 520 | 2000 | 400 | 2400 | 7580.84.41 |
Операционная сторона слева
| Пропуск.способность (расход) л/с. | Диаметр патрубков входа выхода | Объем осадка л. | Объем жира л. | Общий объем | Вес кг пустой | Вес кг полный | Артикул |
| NS 1 | DN 100 | 100 | 100 | 320 | 215 | 535 | 7571.84.31 |
| NS 2 | DN 100 | 200 | 100 | 440 | 220 | 660 | 7572.84.31 |
| NS 3 | DN 100 | 300 | 150 | 630 | 240 | 870 | 7573.84.31 |
| NS 4 | DN 100 | 400 | 200 | 830 | 260 | 1090 | 7574.84.31 |
| NS 5.5 | DN 150 | 550 | 360 | 1430 | 335 | 1765 | 7575.84.31 |
| NS 7 | DN 150 | 700 | 400 | 1600 | 345 | 1915 | 7577.84.31 |
| NS 8.5 | DN 1500 | 850 | 475 | 1900 | 385 | 2285 | 7578.84.31 |
| NS 10 | DN 150 | 1000 | 520 | 2000 | 400 | 2400 | 7580.84.31 |
Размеры
| Пропускная способность (расход) л/с. | L1 мм | L2 мм | L3 мм | L4 мм | H1 мм | H2 мм | H3 мм | H4 мм | H5 мм | B1 мм | B2 мм | B3 мм | B4 мм | D мм |
| NS 1 | 905 | 1100 | 1320 | 115 | 830 | 760 | 1200 | 1380 | 1550 | 675 | 760 | 370 | 800 | 110 |
| NS 2 | 905 | 1100 | 1320 | 115 | 1055 | 985 | 1320 | 1500 | 1700 | 675 | 760 | 370 | 800 | 110 |
| NS 3 | 1255 | 1450 | 1670 | 115 | 1055 | 985 | 1320 | 1500 | 1700 | 675 | 760 | 370 | 800 | 110 |
| NS 4 | 1605 | 1800 | 2020 | 115 | 1055 | 985 | 1320 | 1500 | 1700 | 675 | 760 | 370 | 800 | 110 |
| NS 5.5 | 1655 | 1920 | 2070 | 115 | 1255 | 1185 | 1570 | 1750 | 1950 | 925 | 1010 | 450 | 1000 | 160 |
| NS 7 | 1855 | 2120 | 2270 | 115 | 1255 | 1185 | 1570 | 1750 | 1950 | 925 | 1010 | 450 | 1000 | 160 |
| NS 8.5 | 2155 | 2420 | 2570 | 115 | 1255 | 1185 | 1570 | 1750 | 1950 | 925 | 1010 | 450 | 1000 | 160 |
| NS 10 | 2345 | 2610 | 2760 | 115 | 1255 | 1185 | 1570 | 1750 | 1950 | 925 | 1010 | 450 | 1000 | 160 |
Чертежи жироотделителей ACO в формате AutoCad
Жироотделители ACO LipuJet-S-OMP операционная сторона слева
Жироотделители ACO LipuJet-S-OMP операционная сторона справа
BIM модели жироотделителей ACO
Жироотделители ACO LipuJet-S-OMP операционная сторона слева
Жироотделители ACO LipuJet-S-OMP операционная сторона справа
Lipujet-S-OA
- Корпус из нержавеющей стали марки 316;
- Патрубки входа и выхода обеспечивают соединение с системой канализации;
- На корпусе предусмотрен патрубок DN100 для подсоединения вентиляционной трубы;
- Между шаровым краном для наполнения водой и сифоном отделителя предусмотрен «разрыв струи»;
- Модель изготавливается в двух вариантах установки инспекционного окна – операционная сторона слева или операционная сторона справа, для обеспечения удобства контроля за уровнем жира через инспекционное окно. Выбор варианта зависит от расположения жироотделителя в помещении по отношению к направлению движения канализационного стока;
- Управление процессом откачки выполняется в автоматическом режиме, т.е. все устройства, обеспечивающие откачку и промывку, запускаются в соответствии с программой.
Модель оснащена устройствами:
- Система внутренней промывки – насос высокого давления 175 бар и моющая головка с форсунками;
- Отвод напорной трубы для вывода на фасад здания с муфтой для подключения шланга утилизационной машины;
- Инспекционное окно со стеклоочистителем;
- Соленоидный автоматический клапан для подачи и регулятор давления;
- Щит управления процессом откачки.
- Потребность в электропитании: 400 В/50 Гц/3.9 кВт

Артикулы
Операционная сторона справа
| Пропуск.способность (расход) л/с. | Диаметр патрубков входа выхода | Объем осадка л. | Объем жира л. | Общий объем | Вес кг пустой | Вес кг полный | Артикул |
| NS 1 | DN 100 | 100 | 100 | 320 | 165 | 485 | 7571.74.42 |
| NS 2 | DN 100 | 200 | 100 | 440 | 170 | 610 | 7572.74.42 |
| NS 3 | DN 100 | 300 | 150 | 630 | 195 | 825 | 7573.74.42 |
| NS 4 | DN 100 | 400 | 200 | 830 | 215 | 1045 | 7574.74.42 |
| NS 5.5 | DN 150 | 550 | 360 | 1430 | 285 | 1715 | 7575.74.42 |
| NS 7 | DN 150 | 700 | 400 | 1600 | 295 | 1895 | 7577.74.42 |
| NS 8.5 | DN 1500 | 850 | 475 | 1900 | 335 | 2235 | 7578.74.42 |
| NS 10 | DN 150 | 1000 | 520 | 2000 | 350 | 2350 | 7580.74.42 |
Операционная сторона слева
| Пропуск.способность (расход) л/с. | Диаметр патрубков входа выхода | Объем осадка л. | Объем жира л. | Общий объем | Вес кг пустой | Вес кг полный | Артикул |
| NS 1 | DN 100 | 100 | 100 | 320 | 165 | 485 | 7571.74.32 |
| NS 2 | DN 100 | 200 | 100 | 440 | 170 | 610 | 7572.74.32 |
| NS 3 | DN 100 | 300 | 150 | 630 | 195 | 825 | 7573.74.32 |
| NS 4 | DN 100 | 400 | 200 | 830 | 215 | 1045 | 7574.74.32 |
| NS 5.5 | DN 150 | 550 | 360 | 1430 | 285 | 1715 | 7575.74.32 |
| NS 7 | DN 150 | 700 | 400 | 1600 | 295 | 1895 | 7577.74.32 |
| NS 8.5 | DN 1500 | 850 | 475 | 1900 | 335 | 2235 | 7578.74.32 |
| NS 10 | DN 150 | 1000 | 520 | 2000 | 350 | 2350 | 7580.74.32 |
Размеры
| Пропускная способность (расход) л/с. | L1 мм | L2 мм | L3 мм | L4 мм | H1 мм | H2 мм | H3 мм | H4 мм | H5 мм | B1 мм | B2 мм | B3 мм | B4 мм | D мм |
| NS 1 | 905 | 1100 | 1320 | 115 | 830 | 760 | 1200 | 1380 | 1550 | 675 | 760 | 370 | 800 | 110 |
| NS 2 | 905 | 1100 | 1320 | 115 | 1055 | 985 | 1320 | 1500 | 1700 | 675 | 760 | 370 | 800 | 110 |
| NS 3 | 1255 | 1450 | 1670 | 115 | 1055 | 985 | 1320 | 1500 | 1700 | 675 | 760 | 370 | 800 | 110 |
| NS 4 | 1605 | 1800 | 2020 | 115 | 1055 | 985 | 1320 | 1500 | 1700 | 675 | 760 | 370 | 800 | 110 |
| NS 5.5 | 1655 | 1920 | 2070 | 115 | 1255 | 1185 | 1570 | 1750 | 1950 | 925 | 1010 | 450 | 1000 | 160 |
| NS 7 | 1855 | 2120 | 2270 | 115 | 1255 | 1185 | 1570 | 1750 | 1950 | 925 | 1010 | 450 | 1000 | 160 |
| NS 8.5 | 2155 | 2420 | 2570 | 115 | 1255 | 1185 | 1570 | 1750 | 1950 | 925 | 1010 | 450 | 1000 | 160 |
| NS 10 | 2345 | 2610 | 2760 | 115 | 1255 | 1185 | 1570 | 1750 | 1950 | 925 | 1010 | 450 | 1000 | 160 |
Чертежи жироотделителей ACO в формате AutoCad
Жироотделители ACO LipuJet-S-OA операционная система слева
Жироотделители ACO LipuJet-S-OA операционная система справа
BIM модели жироотделителей ACO
Жироотделители ACO LipuJet-S-OA операционная система слева
Жироотделители ACO LipuJet-S-OA операционная система справа
Артикулы
Операционная сторона справа
| Пропуск.способность (расход) л/с. | Диаметр патрубков входа выхода | Объем осадка л. | Объем жира л. | Общий объем | Вес кг пустой | Вес кг полный | Артикул |
| NS 1 | DN 100 | 100 | 100 | 320 | 165 | 485 | 7571.74.42 |
| NS 2 | DN 100 | 200 | 100 | 440 | 170 | 610 | 7572.74.42 |
| NS 3 | DN 100 | 300 | 150 | 630 | 195 | 825 | 7573.74.42 |
| NS 4 | DN 100 | 400 | 200 | 830 | 215 | 1045 | 7574.74.42 |
| NS 5.5 | DN 150 | 550 | 360 | 1430 | 285 | 1715 | 7575.74.42 |
| NS 7 | DN 150 | 700 | 400 | 1600 | 295 | 1895 | 7577.74.42 |
| NS 8.5 | DN 1500 | 850 | 475 | 1900 | 335 | 2235 | 7578.74.42 |
| NS 10 | DN 150 | 1000 | 520 | 2000 | 350 | 2350 | 7580.74.42 |
Операционная сторона слева
| Пропуск.способность (расход) л/с. | Диаметр патрубков входа выхода | Объем осадка л. | Объем жира л. | Общий объем | Вес кг пустой | Вес кг полный | Артикул |
| NS 1 | DN 100 | 100 | 100 | 320 | 165 | 485 | 7571.74.32 |
| NS 2 | DN 100 | 200 | 100 | 440 | 170 | 610 | 7572.74.32 |
| NS 3 | DN 100 | 300 | 150 | 630 | 195 | 825 | 7573.74.32 |
| NS 4 | DN 100 | 400 | 200 | 830 | 215 | 1045 | 7574.74.32 |
| NS 5.5 | DN 150 | 550 | 360 | 1430 | 285 | 1715 | 7575.74.32 |
| NS 7 | DN 150 | 700 | 400 | 1600 | 295 | 1895 | 7577.74.32 |
| NS 8.5 | DN 1500 | 850 | 475 | 1900 | 335 | 2235 | 7578.74.32 |
| NS 10 | DN 150 | 1000 | 520 | 2000 | 350 | 2350 | 7580.74.32 |
Размеры
| Пропускная способность (расход) л/с. | L1 мм | L2 мм | L3 мм | L4 мм | H1 мм | H2 мм | H3 мм | H4 мм | H5 мм | B1 мм | B2 мм | B3 мм | B4 мм | D мм |
| NS 1 | 905 | 1100 | 1320 | 115 | 830 | 760 | 1200 | 1380 | 1550 | 675 | 760 | 370 | 800 | 110 |
| NS 2 | 905 | 1100 | 1320 | 115 | 1055 | 985 | 1320 | 1500 | 1700 | 675 | 760 | 370 | 800 | 110 |
| NS 3 | 1255 | 1450 | 1670 | 115 | 1055 | 985 | 1320 | 1500 | 1700 | 675 | 760 | 370 | 800 | 110 |
| NS 4 | 1605 | 1800 | 2020 | 115 | 1055 | 985 | 1320 | 1500 | 1700 | 675 | 760 | 370 | 800 | 110 |
| NS 5.5 | 1655 | 1920 | 2070 | 115 | 1255 | 1185 | 1570 | 1750 | 1950 | 925 | 1010 | 450 | 1000 | 160 |
| NS 7 | 1855 | 2120 | 2270 | 115 | 1255 | 1185 | 1570 | 1750 | 1950 | 925 | 1010 | 450 | 1000 | 160 |
| NS 8.5 | 2155 | 2420 | 2570 | 115 | 1255 | 1185 | 1570 | 1750 | 1950 | 925 | 1010 | 450 | 1000 | 160 |
| NS 10 | 2345 | 2610 | 2760 | 115 | 1255 | 1185 | 1570 | 1750 | 1950 | 925 | 1010 | 450 | 1000 | 160 |
Чертежи жироотделителей ACO в формате AutoCad
Жироотделители ACO LipuJet-S-OA операционная система слева
Жироотделители ACO LipuJet-S-OA операционная система справа
BIM модели жироотделителей ACO
Жироотделители ACO LipuJet-S-OA операционная система слева
Жироотделители ACO LipuJet-S-OA операционная система справа
Lipujet-S-OAP
- Корпус из нержавеющей стали марки 316;
- Патрубки входа и выхода обеспечивают соединение с системой канализации;
- На корпусе предусмотрен патрубок DN100 для подсоединения вентиляционной трубы;
- Между шаровым краном для наполнения водой и сифоном отделителя предусмотрен «разрыв струи»;
- Модель изготавливается в двух вариантах установки инспекционного окна – операционная сторона слева или операционная сторона справа, для обеспечения удобства контроля за уровнем жира через инспекционное окно. Выбор варианта зависит от расположения жироотделителя в помещении по отношению к направлению движения канализационного стока;
- Управление процессом откачки выполняется в автоматическом режиме, т.е. все устройства, обеспечивающие откачку и промывку, запускаются в соответствии с программой.
Модель оснащена устройствами:
- Система внутренней промывки – насос высокого давления 175 бар и моющая головка с форсунками;
- Отвод напорной трубы для вывода на фасад здания с муфтой для подключения шланга утилизационной машины;
- Инспекционное окно со стеклоочистителем;
- Соленоидный автоматический клапан для подачи и регулятор давления;
- Щит управления процессом откачки.
- Потребность в электропитании: 400 В/50 Гц/3.9 кВт

Артикулы
Операционная сторона справа
| Пропуск.способность (расход) л/с. | Диаметр патрубков входа выхода | Объем осадка л. | Объем жира л. | Общий объем | Вес кг пустой | Вес кг полный | Артикул |
| NS 1 | DN 100 | 100 | 100 | 320 | 215 | 535 | 7571.84.42 |
| NS 2 | DN 100 | 200 | 100 | 440 | 220 | 660 | 7572.84.42 |
| NS 3 | DN 100 | 300 | 150 | 630 | 240 | 870 | 7573.84.42 |
| NS 4 | DN 100 | 400 | 200 | 830 | 260 | 1090 | 7574.84.42 |
| NS 5.5 | DN 150 | 550 | 360 | 1430 | 335 | 1765 | 7575.84.42 |
| NS 7 | DN 150 | 700 | 400 | 1600 | 345 | 1915 | 7577.84.42 |
| NS 8.5 | DN 1500 | 850 | 475 | 1900 | 385 | 2285 | 7578.84.42 |
| NS 10 | DN 150 | 1000 | 520 | 2000 | 400 | 2400 | 7580.84.42 |
Операционная сторона слева
| Пропуск.способность (расход) л/с. | Диаметр патрубков входа выхода | Объем осадка л. | Объем жира л. | Общий объем | Вес кг пустой | Вес кг полный | Артикул |
| NS 1 | DN 100 | 100 | 100 | 320 | 215 | 535 | 7571.84.32 |
| NS 2 | DN 100 | 200 | 100 | 440 | 220 | 660 | 7572.84.32 |
| NS 3 | DN 100 | 300 | 150 | 630 | 240 | 870 | 7573.84.32 |
| NS 4 | DN 100 | 400 | 200 | 830 | 260 | 1090 | 7574.84.32 |
| NS 5.5 | DN 150 | 550 | 360 | 1430 | 335 | 1765 | 7575.84.32 |
| NS 7 | DN 150 | 700 | 400 | 1600 | 345 | 1915 | 7577.84.32 |
| NS 8.5 | DN 1500 | 850 | 475 | 1900 | 385 | 2285 | 7578.84.32 |
| NS 10 | DN 150 | 1000 | 520 | 2000 | 400 | 2400 | 7580.84.32 |
Размеры
| Пропускная способность (расход) л/с. | L1 мм | L2 мм | L3 мм | L4 мм | H1 мм | H2 мм | H3 мм | H4 мм | H5 мм | B1 мм | B2 мм | B3 мм | B4 мм | D мм |
| NS 1 | 905 | 1100 | 1850 | 650 | 830 | 760 | 1200 | 1380 | 1550 | 675 | 760 | 370 | 800 | 110 |
| NS 2 | 905 | 1100 | 1850 | 650 | 1055 | 985 | 1320 | 1500 | 1700 | 675 | 760 | 370 | 800 | 110 |
| NS 3 | 1255 | 1450 | 2200 | 650 | 1055 | 985 | 1320 | 1500 | 1700 | 675 | 760 | 370 | 800 | 110 |
| NS 4 | 1605 | 1800 | 2550 | 650 | 1055 | 985 | 1320 | 1500 | 1700 | 675 | 760 | 370 | 800 | 110 |
| NS 5.5 | 1655 | 1920 | 2600 | 650 | 1255 | 1185 | 1570 | 1750 | 1950 | 925 | 1010 | 450 | 1000 | 160 |
| NS 7 | 1855 | 2120 | 2800 | 650 | 1255 | 1185 | 1570 | 1750 | 1950 | 925 | 1010 | 450 | 1000 | 160 |
| NS 8.5 | 2155 | 2420 | 3100 | 650 | 1255 | 1185 | 1570 | 1750 | 1950 | 925 | 1010 | 450 | 1000 | 160 |
| NS 10 | 2345 | 2610 | 3300 | 650 | 1255 | 1185 | 1570 | 1750 | 1950 | 925 | 1010 | 450 | 1000 | 160 |
Чертежи жироотделителей ACO в формате AutoCad
Жироотделители ACO LipuJet-S-OAP операционная система слева
Жироотделители ACO LipuJet-S-OAP операционная система справа
BIM модели жироотделителей ACO
Жироотделители ACO LipuJet-S-OAP операционная система слева
Жироотделители ACO LipuJet-S-OAP операционная система справа
Артикулы
Операционная сторона справа
| Пропуск.способность (расход) л/с. | Диаметр патрубков входа выхода | Объем осадка л. | Объем жира л. | Общий объем | Вес кг пустой | Вес кг полный | Артикул |
| NS 1 | DN 100 | 100 | 100 | 320 | 215 | 535 | 7571.84.42 |
| NS 2 | DN 100 | 200 | 100 | 440 | 220 | 660 | 7572.84.42 |
| NS 3 | DN 100 | 300 | 150 | 630 | 240 | 870 | 7573.84.42 |
| NS 4 | DN 100 | 400 | 200 | 830 | 260 | 1090 | 7574.84.42 |
| NS 5.5 | DN 150 | 550 | 360 | 1430 | 335 | 1765 | 7575.84.42 |
| NS 7 | DN 150 | 700 | 400 | 1600 | 345 | 1915 | 7577.84.42 |
| NS 8.5 | DN 1500 | 850 | 475 | 1900 | 385 | 2285 | 7578.84.42 |
| NS 10 | DN 150 | 1000 | 520 | 2000 | 400 | 2400 | 7580.84.42 |
Операционная сторона слева
| Пропуск.способность (расход) л/с. | Диаметр патрубков входа выхода | Объем осадка л. | Объем жира л. | Общий объем | Вес кг пустой | Вес кг полный | Артикул |
| NS 1 | DN 100 | 100 | 100 | 320 | 215 | 535 | 7571.84.32 |
| NS 2 | DN 100 | 200 | 100 | 440 | 220 | 660 | 7572.84.32 |
| NS 3 | DN 100 | 300 | 150 | 630 | 240 | 870 | 7573.84.32 |
| NS 4 | DN 100 | 400 | 200 | 830 | 260 | 1090 | 7574.84.32 |
| NS 5.5 | DN 150 | 550 | 360 | 1430 | 335 | 1765 | 7575.84.32 |
| NS 7 | DN 150 | 700 | 400 | 1600 | 345 | 1915 | 7577.84.32 |
| NS 8.5 | DN 1500 | 850 | 475 | 1900 | 385 | 2285 | 7578.84.32 |
| NS 10 | DN 150 | 1000 | 520 | 2000 | 400 | 2400 | 7580.84.32 |
Размеры
| Пропускная способность (расход) л/с. | L1 мм | L2 мм | L3 мм | L4 мм | H1 мм | H2 мм | H3 мм | H4 мм | H5 мм | B1 мм | B2 мм | B3 мм | B4 мм | D мм |
| NS 1 | 905 | 1100 | 1850 | 650 | 830 | 760 | 1200 | 1380 | 1550 | 675 | 760 | 370 | 800 | 110 |
| NS 2 | 905 | 1100 | 1850 | 650 | 1055 | 985 | 1320 | 1500 | 1700 | 675 | 760 | 370 | 800 | 110 |
| NS 3 | 1255 | 1450 | 2200 | 650 | 1055 | 985 | 1320 | 1500 | 1700 | 675 | 760 | 370 | 800 | 110 |
| NS 4 | 1605 | 1800 | 2550 | 650 | 1055 | 985 | 1320 | 1500 | 1700 | 675 | 760 | 370 | 800 | 110 |
| NS 5.5 | 1655 | 1920 | 2600 | 650 | 1255 | 1185 | 1570 | 1750 | 1950 | 925 | 1010 | 450 | 1000 | 160 |
| NS 7 | 1855 | 2120 | 2800 | 650 | 1255 | 1185 | 1570 | 1750 | 1950 | 925 | 1010 | 450 | 1000 | 160 |
| NS 8.5 | 2155 | 2420 | 3100 | 650 | 1255 | 1185 | 1570 | 1750 | 1950 | 925 | 1010 | 450 | 1000 | 160 |
| NS 10 | 2345 | 2610 | 3300 | 650 | 1255 | 1185 | 1570 | 1750 | 1950 | 925 | 1010 | 450 | 1000 | 160 |
Чертежи жироотделителей ACO в формате AutoCad
Жироотделители ACO LipuJet-S-OAP операционная система слева
Жироотделители ACO LipuJet-S-OAP операционная система справа
BIM модели жироотделителей ACO
Жироотделители ACO LipuJet-S-OAP операционная система слева
Жироотделители ACO LipuJet-S-OAP операционная система справа
Lipujet-S-OB
- Базовая модель;
- Корпус из нержавеющей стали марки 316;
- Патрубки входа и выхода обеспечивают соединение с системой канализации;
- При комплектации шаровым краном для наполнения отделителя водой, предусмотрен «разрыв струи»;
- Крышки инспекционных люков герметично закрываются в верхней части корпуса;
- Откачка и промывка проводится через люки в верхней части корпуса;
- На корпусе предусмотрен патрубок DN100 для подсоединения вентиляционной трубы.

Артикулы
| Пропуск.способность (расход) л/с. | Диаметр патрубков входа выхода | Объем осадка л. | Объем жира л. | Общий объем | Вес кг пустой | Вес кг полный | Артикул |
| NS 1 | DN 100 | 100 | 100 | 320 | 130 | 450 | 7551.34.00 |
| NS 2 | DN 100 | 200 | 100 | 440 | 135 | 575 | 7552.34.00 |
| NS 3 | DN 100 | 300 | 150 | 630 | 155 | 785 | 7553.34.00 |
| NS 4 | DN 100 | 400 | 200 | 830 | 175 | 1005 | 7554.34.00 |
| NS 5.5 | DN 150 | 550 | 360 | 1430 | 230 | 1660 | 7555.34.00 |
| NS 7 | DN 150 | 700 | 400 | 1600 | 255 | 1855 | 7557.34.00 |
| NS 8.5 | DN 1500 | 850 | 475 | 1900 | 295 | 2195 | 7558.34.00 |
| NS 10 | DN 150 | 1000 | 520 | 2000 | 315 | 2315 | 7560.34.00 |
Размеры
| Пропускная способность (расход) л/с. | L1 мм | L2 мм | L3 мм | H1 мм | H2 мм | H3 мм | H4 мм | B1 мм | B2 мм | D мм |
| NS 1 | 905 | 1100 | 115 | 830 | 760 | 1200 | 1550 | 675 | 760 | 110 |
| NS 2 | 905 | 1100 | 115 | 1055 | 985 | 1320 | 1700 | 675 | 760 | 110 |
| NS 3 | 1255 | 1450 | 115 | 1055 | 985 | 1320 | 1700 | 675 | 760 | 110 |
| NS 4 | 1605 | 1800 | 115 | 1055 | 985 | 1320 | 1700 | 675 | 760 | 110 |
| NS 5.5 | 1655 | 1920 | 115 | 1255 | 1185 | 1570 | 1950 | 925 | 1010 | 160 |
| NS 7 | 1855 | 2120 | 115 | 1255 | 1185 | 1570 | 1950 | 925 | 1010 | 160 |
| NS 8.5 | 2155 | 2420 | 115 | 1255 | 1185 | 1570 | 1950 | 925 | 1010 | 160 |
| NS 10 | 2345 | 2610 | 115 | 1255 | 1185 | 1570 | 1950 | 925 | 1010 | 160 |
Чертежи жироотделителей ACO в формате AutoCad
Жироотделители ACO LipuJet-S-OB NS 1.dxf
Жироотделители ACO LipuJet-S-OB NS 2.dxf
Жироотделители ACO LipuJet-S-OB NS 3.dxf
Жироотделители ACO LipuJet-S-OB NS 4.dxf
Жироотделители ACO LipuJet-S-OB NS 5.5.dxf
Жироотделители ACO LipuJet-S-OB NS 7.dxf
Жироотделители ACO LipuJet-S-OB NS 8.5.dxf
Жироотделители ACO LipuJet-S-OB NS 10.dxf
BIM модели жироотделителей ACO
Жироотделители ACO LipuJet-S-OB NS 1.ifc
Жироотделители ACO LipuJet-S-OB NS 2.ifc
Жироотделители ACO LipuJet-S-OB NS 3.ifc
Жироотделители ACO LipuJet-S-OB NS 4.ifc
Жироотделители ACO LipuJet-S-OB NS 5.5.ifc
Жироотделители ACO LipuJet-S-OB NS 7.ifc
Жироотделители ACO LipuJet-S-OB NS 8.5.ifc
Жироотделители ACO LipuJet-S-OB NS 10.ifc
Артикулы
| Пропуск.способность (расход) л/с. | Диаметр патрубков входа выхода | Объем осадка л. | Объем жира л. | Общий объем | Вес кг пустой | Вес кг полный | Артикул |
| NS 1 | DN 100 | 100 | 100 | 320 | 130 | 450 | 7551.34.00 |
| NS 2 | DN 100 | 200 | 100 | 440 | 135 | 575 | 7552.34.00 |
| NS 3 | DN 100 | 300 | 150 | 630 | 155 | 785 | 7553.34.00 |
| NS 4 | DN 100 | 400 | 200 | 830 | 175 | 1005 | 7554.34.00 |
| NS 5.5 | DN 150 | 550 | 360 | 1430 | 230 | 1660 | 7555.34.00 |
| NS 7 | DN 150 | 700 | 400 | 1600 | 255 | 1855 | 7557.34.00 |
| NS 8.5 | DN 1500 | 850 | 475 | 1900 | 295 | 2195 | 7558.34.00 |
| NS 10 | DN 150 | 1000 | 520 | 2000 | 315 | 2315 | 7560.34.00 |
Размеры
| Пропускная способность (расход) л/с. | L1 мм | L2 мм | L3 мм | H1 мм | H2 мм | H3 мм | H4 мм | B1 мм | B2 мм | D мм |
| NS 1 | 905 | 1100 | 115 | 830 | 760 | 1200 | 1550 | 675 | 760 | 110 |
| NS 2 | 905 | 1100 | 115 | 1055 | 985 | 1320 | 1700 | 675 | 760 | 110 |
| NS 3 | 1255 | 1450 | 115 | 1055 | 985 | 1320 | 1700 | 675 | 760 | 110 |
| NS 4 | 1605 | 1800 | 115 | 1055 | 985 | 1320 | 1700 | 675 | 760 | 110 |
| NS 5.5 | 1655 | 1920 | 115 | 1255 | 1185 | 1570 | 1950 | 925 | 1010 | 160 |
| NS 7 | 1855 | 2120 | 115 | 1255 | 1185 | 1570 | 1950 | 925 | 1010 | 160 |
| NS 8.5 | 2155 | 2420 | 115 | 1255 | 1185 | 1570 | 1950 | 925 | 1010 | 160 |
| NS 10 | 2345 | 2610 | 115 | 1255 | 1185 | 1570 | 1950 | 925 | 1010 | 160 |
Чертежи жироотделителей ACO в формате AutoCad
Жироотделители ACO LipuJet-S-OB NS 1.dxf
Жироотделители ACO LipuJet-S-OB NS 2.dxf
Жироотделители ACO LipuJet-S-OB NS 3.dxf
Жироотделители ACO LipuJet-S-OB NS 4.dxf
Жироотделители ACO LipuJet-S-OB NS 5.5.dxf
Жироотделители ACO LipuJet-S-OB NS 7.dxf
Жироотделители ACO LipuJet-S-OB NS 8.5.dxf
Жироотделители ACO LipuJet-S-OB NS 10.dxf
BIM модели жироотделителей ACO
Жироотделители ACO LipuJet-S-OB NS 1.ifc
Жироотделители ACO LipuJet-S-OB NS 2.ifc
Жироотделители ACO LipuJet-S-OB NS 3.ifc
Жироотделители ACO LipuJet-S-OB NS 4.ifc
Жироотделители ACO LipuJet-S-OB NS 5.5.ifc
Жироотделители ACO LipuJet-S-OB NS 7.ifc
Жироотделители ACO LipuJet-S-OB NS 8.5.ifc
Жироотделители ACO LipuJet-S-OB NS 10.ifc
LipuJet-S-OD
- Корпус из нержавеющей стали марки 316;
- Патрубки входа и выхода обеспечивают соединение с системой канализации;
- На корпусе предусмотрен патрубок DN100 для подсоединения вентиляционной трубы;
- При комплектации шаровым краном для наполнения отделителя водой, предусмотрен «разрыв струи».
- Модель укомплектована отводом напорной трубы, которая выводится из здания, к месту подхода утилизационной машины;
- Откачка жироотделителя выполняется через напорную трубу с улицы;
- Промывка выполняется через ревизионные люки в верхней части корпуса. Для выполнения промывки, необходимо наличие подвода водопровода в помещение жироотделителя. Промывка выполняется вручную, водопроводной водой, с помощью шлангов. Вода от промывки должна быть откачана утилизационной машиной.
Артикулы
| Пропуск.способность (расход) л/с. | Диаметр патрубков входа выхода | Объем осадка л. | Объем жира л. | Общий объем | Вес кг пустой | Вес кг полный | Артикул |
| NS 1 | DN 100 | 100 | 100 | 320 | 135 | 455 | 7551.64.00 |
| NS 2 | DN 100 | 200 | 100 | 440 | 140 | 580 | 7552.64.00 |
| NS 3 | DN 100 | 300 | 150 | 630 | 160 | 790 | 7553.64.00 |
| NS 4 | DN 100 | 400 | 200 | 830 | 180 | 1010 | 7554.64.00 |
| NS 5.5 | DN 150 | 550 | 360 | 1430 | 245 | 1675 | 7555.64.00 |
| NS 7 | DN 150 | 700 | 400 | 1600 | 260 | 1860 | 7557.64.00 |
| NS 8.5 | DN 1500 | 850 | 475 | 1900 | 300 | 2200 | 7558.64.00 |
| NS 10 | DN 150 | 1000 | 520 | 2000 | 320 | 2320 | 7560.64.00 |
Размеры
| Пропускная способность (расход) л/с. | L1 мм | L2 мм | L3 мм | H1 мм | H2 мм | H3 мм | H4 мм | H5 мм | B1 мм | B2 мм | D мм |
| NS 1 | 905 | 1100 | 115 | 830 | 760 | 1200 | 1380 | 1550 | 675 | 760 | 110 |
| NS 2 | 905 | 1100 | 115 | 1055 | 985 | 1320 | 1500 | 1700 | 675 | 760 | 110 |
| NS 3 | 1255 | 1450 | 115 | 1055 | 985 | 1320 | 1500 | 1700 | 675 | 760 | 110 |
| NS 4 | 1605 | 1800 | 115 | 1055 | 985 | 1320 | 1500 | 1700 | 675 | 760 | 110 |
| NS 5.5 | 1655 | 1920 | 115 | 1255 | 1185 | 1570 | 1750 | 1950 | 825 | 1010 | 160 |
| NS 7 | 1855 | 2120 | 115 | 1255 | 1185 | 1570 | 1750 | 1950 | 825 | 1010 | 160 |
| NS 8.5 | 2155 | 2420 | 115 | 1255 | 1185 | 1570 | 1750 | 1950 | 825 | 1010 | 160 |
| NS 10 | 2345 | 2610 | 115 | 1255 | 1185 | 1570 | 1750 | 1950 | 825 | 1010 | 160 |
Чертежи жироотделителей ACO в формате AutoCad
Жироотделители ACO LipuJet-S-OB NS 1.dxf
Жироотделители ACO LipuJet-S-OB NS 2.dxf
Жироотделители ACO LipuJet-S-OB NS 3.dxf
Жироотделители ACO LipuJet-S-OB NS 4.dxf
Жироотделители ACO LipuJet-S-OB NS 5.5.dxf
Жироотделители ACO LipuJet-S-OB NS 7.dxf
Жироотделители ACO LipuJet-S-OB NS 8.5.dxf
Жироотделители ACO LipuJet-S-OB NS 10.dxf
BIM модели жироотделителей ACO
Жироотделители ACO LipuJet-S-OD NS 1.ifc
Жироотделители ACO LipuJet-S-OD NS 2.ifc
Жироотделители ACO LipuJet-S-OD NS 3.ifc
Жироотделители ACO LipuJet-S-OD NS 4.ifc
Жироотделители ACO LipuJet-S-OD NS 5.5.ifc
Жироотделители ACO LipuJet-S-OD NS 7.ifc
Жироотделители ACO LipuJet-S-OD NS 8.5.ifc
Жироотделители ACO LipuJet-S-OD NS 10.ifc
Артикулы
| Пропуск.способность (расход) л/с. | Диаметр патрубков входа выхода | Объем осадка л. | Объем жира л. | Общий объем | Вес кг пустой | Вес кг полный | Артикул |
| NS 1 | DN 100 | 100 | 100 | 320 | 135 | 455 | 7551.64.00 |
| NS 2 | DN 100 | 200 | 100 | 440 | 140 | 580 | 7552.64.00 |
| NS 3 | DN 100 | 300 | 150 | 630 | 160 | 790 | 7553.64.00 |
| NS 4 | DN 100 | 400 | 200 | 830 | 180 | 1010 | 7554.64.00 |
| NS 5.5 | DN 150 | 550 | 360 | 1430 | 245 | 1675 | 7555.64.00 |
| NS 7 | DN 150 | 700 | 400 | 1600 | 260 | 1860 | 7557.64.00 |
| NS 8.5 | DN 1500 | 850 | 475 | 1900 | 300 | 2200 | 7558.64.00 |
| NS 10 | DN 150 | 1000 | 520 | 2000 | 320 | 2320 | 7560.64.00 |
Размеры
| Пропускная способность (расход) л/с. | L1 мм | L2 мм | L3 мм | H1 мм | H2 мм | H3 мм | H4 мм | H5 мм | B1 мм | B2 мм | D мм |
| NS 1 | 905 | 1100 | 115 | 830 | 760 | 1200 | 1380 | 1550 | 675 | 760 | 110 |
| NS 2 | 905 | 1100 | 115 | 1055 | 985 | 1320 | 1500 | 1700 | 675 | 760 | 110 |
| NS 3 | 1255 | 1450 | 115 | 1055 | 985 | 1320 | 1500 | 1700 | 675 | 760 | 110 |
| NS 4 | 1605 | 1800 | 115 | 1055 | 985 | 1320 | 1500 | 1700 | 675 | 760 | 110 |
| NS 5.5 | 1655 | 1920 | 115 | 1255 | 1185 | 1570 | 1750 | 1950 | 825 | 1010 | 160 |
| NS 7 | 1855 | 2120 | 115 | 1255 | 1185 | 1570 | 1750 | 1950 | 825 | 1010 | 160 |
| NS 8.5 | 2155 | 2420 | 115 | 1255 | 1185 | 1570 | 1750 | 1950 | 825 | 1010 | 160 |
| NS 10 | 2345 | 2610 | 115 | 1255 | 1185 | 1570 | 1750 | 1950 | 825 | 1010 | 160 |
Чертежи жироотделителей ACO в формате AutoCad
Жироотделители ACO LipuJet-S-OB NS 1.dxf
Жироотделители ACO LipuJet-S-OB NS 2.dxf
Жироотделители ACO LipuJet-S-OB NS 3.dxf
Жироотделители ACO LipuJet-S-OB NS 4.dxf
Жироотделители ACO LipuJet-S-OB NS 5.5.dxf
Жироотделители ACO LipuJet-S-OB NS 7.dxf
Жироотделители ACO LipuJet-S-OB NS 8.5.dxf
Жироотделители ACO LipuJet-S-OB NS 10.dxf
BIM модели жироотделителей ACO
Жироотделители ACO LipuJet-S-OD NS 1.ifc
Жироотделители ACO LipuJet-S-OD NS 2.ifc
Жироотделители ACO LipuJet-S-OD NS 3.ifc
Жироотделители ACO LipuJet-S-OD NS 4.ifc
Жироотделители ACO LipuJet-S-OD NS 5.5.ifc
Жироотделители ACO LipuJet-S-OD NS 7.ifc
Жироотделители ACO LipuJet-S-OD NS 8.5.ifc
Жироотделители ACO LipuJet-S-OD NS 10.ifc
Lipujet-S-OM
- Корпус из нержавеющей стали марки 316;
- Патрубки входа и выхода обеспечивают соединение с системой канализации;
- На корпусе предусмотрен патрубок DN100 для подсоединения вентиляционной трубы;
- Между шаровым краном для наполнения водой и сифоном отделителя предусмотрен «разрыв струи»;
- Модель изготавливается в двух вариантах установки инспекционного окна – операционная сторона слева или операционная сторона справа, для обеспечения удобства контроля за уровнем жира через инспекционное окно. Выбор варианта зависит от расположения жироотделителя в помещении по отношению к направлению движения канализационного стока;
- Управление процессом откачки выполняется вручную, т.е. все устройства, обеспечивающие откачку и промывку, запускаются техником.
Модель оснащена устройствами:
- Система внутренней промывки – насос высокого давления 175 бар и моющая головка с форсунками;
- Отвод напорной трубы для вывода на фасад здания с муфтой для подключения шланга утилизационной машины;
- Инспекционное окно со стеклоочистителем;
- Шаровой кран для наполнения водой и регулятор давления.
- Потребность в электропитании: 400 В/50 Гц/3.9 кВт

Артикулы
Операционная сторона справа
| Пропуск.способность (расход) л/с. | Диаметр патрубков входа выхода | Объем осадка л. | Объем жира л. | Общий объем | Вес кг пустой | Вес кг полный | Артикул |
| NS 1 | DN 100 | 100 | 100 | 320 | 165 | 485 | 7571.74.41 |
| NS 2 | DN 100 | 200 | 100 | 440 | 170 | 610 | 7572.74.41 |
| NS 3 | DN 100 | 300 | 150 | 630 | 190 | 820 | 7573.74.41 |
| NS 4 | DN 100 | 400 | 200 | 830 | 210 | 1040 | 7574.74.41 |
| NS 5.5 | DN 150 | 550 | 360 | 1430 | 280 | 1710 | 7575.74.41 |
| NS 7 | DN 150 | 700 | 400 | 1600 | 290 | 1890 | 7577.74.41 |
| NS 8.5 | DN 1500 | 850 | 475 | 1900 | 330 | 2230 | 7578.74.41 |
| NS 10 | DN 150 | 1000 | 520 | 2000 | 350 | 2350 | 7580.74.41 |
Операционная сторона слева
| Пропуск.способность (расход) л/с. | Диаметр патрубков входа выхода | Объем осадка л. | Объем жира л. | Общий объем | Вес кг пустой | Вес кг полный | Артикул |
| NS 1 | DN 100 | 100 | 100 | 320 | 165 | 485 | 7571.74.31 |
| NS 2 | DN 100 | 200 | 100 | 440 | 170 | 610 | 7572.74.31 |
| NS 3 | DN 100 | 300 | 150 | 630 | 190 | 820 | 7573.74.31 |
| NS 4 | DN 100 | 400 | 200 | 830 | 210 | 1040 | 7574.74.31 |
| NS 5.5 | DN 150 | 550 | 360 | 1430 | 280 | 1710 | 7575.74.31 |
| NS 7 | DN 150 | 700 | 400 | 1600 | 290 | 1890 | 7577.74.31 |
| NS 8.5 | DN 1500 | 850 | 475 | 1900 | 330 | 2230 | 7578.74.31 |
| NS 10 | DN 150 | 1000 | 520 | 2000 | 350 | 2350 | 7580.74.31 |
Размеры
| Пропускная способность (расход) л/с. | L1 мм | L2 мм | L3 мм | L4 мм | H1 мм | H2 мм | H3 мм | H4 мм | H5 мм | B1 мм | B2 мм | D мм |
| NS 1 | 905 | 1100 | 1320 | 115 | 830 | 760 | 1200 | 1380 | 1550 | 675 | 760 | 110 |
| NS 2 | 905 | 1100 | 1320 | 115 | 1055 | 985 | 1320 | 1500 | 1700 | 675 | 760 | 110 |
| NS 3 | 1255 | 1450 | 1670 | 115 | 1055 | 985 | 1320 | 1500 | 1700 | 675 | 760 | 110 |
| NS 4 | 1605 | 1800 | 2020 | 115 | 1055 | 985 | 1320 | 1500 | 1700 | 675 | 760 | 110 |
| NS 5.5 | 1655 | 1920 | 2070 | 115 | 1255 | 1185 | 1570 | 1750 | 1950 | 925 | 1010 | 160 |
| NS 7 | 1855 | 2120 | 2270 | 115 | 1255 | 1185 | 1570 | 1750 | 1950 | 925 | 1010 | 160 |
| NS 8.5 | 2155 | 2420 | 2570 | 115 | 1255 | 1185 | 1570 | 1750 | 1950 | 925 | 1010 | 160 |
| NS 10 | 2345 | 2610 | 2760 | 115 | 1255 | 1185 | 1570 | 1750 | 1950 | 925 | 1010 | 160 |
Чертежи жироотделителей ACO в формате AutoCad
Жироотделители ACO LipuJet-S-OM левый
Жироотделители ACO LipuJet-S-OM правый
BIM модели жироотделителей ACO
Жироотделители ACO LipuJet-S-OM операционная сторона слева
Жироотделители ACO LipuJet-S-OM операционная сторона справа
Артикулы
Операционная сторона справа
| Пропуск.способность (расход) л/с. | Диаметр патрубков входа выхода | Объем осадка л. | Объем жира л. | Общий объем | Вес кг пустой | Вес кг полный | Артикул |
| NS 1 | DN 100 | 100 | 100 | 320 | 165 | 485 | 7571.74.41 |
| NS 2 | DN 100 | 200 | 100 | 440 | 170 | 610 | 7572.74.41 |
| NS 3 | DN 100 | 300 | 150 | 630 | 190 | 820 | 7573.74.41 |
| NS 4 | DN 100 | 400 | 200 | 830 | 210 | 1040 | 7574.74.41 |
| NS 5.5 | DN 150 | 550 | 360 | 1430 | 280 | 1710 | 7575.74.41 |
| NS 7 | DN 150 | 700 | 400 | 1600 | 290 | 1890 | 7577.74.41 |
| NS 8.5 | DN 1500 | 850 | 475 | 1900 | 330 | 2230 | 7578.74.41 |
| NS 10 | DN 150 | 1000 | 520 | 2000 | 350 | 2350 | 7580.74.41 |
Операционная сторона слева
| Пропуск.способность (расход) л/с. | Диаметр патрубков входа выхода | Объем осадка л. | Объем жира л. | Общий объем | Вес кг пустой | Вес кг полный | Артикул |
| NS 1 | DN 100 | 100 | 100 | 320 | 165 | 485 | 7571.74.31 |
| NS 2 | DN 100 | 200 | 100 | 440 | 170 | 610 | 7572.74.31 |
| NS 3 | DN 100 | 300 | 150 | 630 | 190 | 820 | 7573.74.31 |
| NS 4 | DN 100 | 400 | 200 | 830 | 210 | 1040 | 7574.74.31 |
| NS 5.5 | DN 150 | 550 | 360 | 1430 | 280 | 1710 | 7575.74.31 |
| NS 7 | DN 150 | 700 | 400 | 1600 | 290 | 1890 | 7577.74.31 |
| NS 8.5 | DN 1500 | 850 | 475 | 1900 | 330 | 2230 | 7578.74.31 |
| NS 10 | DN 150 | 1000 | 520 | 2000 | 350 | 2350 | 7580.74.31 |
Размеры
| Пропускная способность (расход) л/с. | L1 мм | L2 мм | L3 мм | L4 мм | H1 мм | H2 мм | H3 мм | H4 мм | H5 мм | B1 мм | B2 мм | D мм |
| NS 1 | 905 | 1100 | 1320 | 115 | 830 | 760 | 1200 | 1380 | 1550 | 675 | 760 | 110 |
| NS 2 | 905 | 1100 | 1320 | 115 | 1055 | 985 | 1320 | 1500 | 1700 | 675 | 760 | 110 |
| NS 3 | 1255 | 1450 | 1670 | 115 | 1055 | 985 | 1320 | 1500 | 1700 | 675 | 760 | 110 |
| NS 4 | 1605 | 1800 | 2020 | 115 | 1055 | 985 | 1320 | 1500 | 1700 | 675 | 760 | 110 |
| NS 5.5 | 1655 | 1920 | 2070 | 115 | 1255 | 1185 | 1570 | 1750 | 1950 | 925 | 1010 | 160 |
| NS 7 | 1855 | 2120 | 2270 | 115 | 1255 | 1185 | 1570 | 1750 | 1950 | 925 | 1010 | 160 |
| NS 8.5 | 2155 | 2420 | 2570 | 115 | 1255 | 1185 | 1570 | 1750 | 1950 | 925 | 1010 | 160 |
| NS 10 | 2345 | 2610 | 2760 | 115 | 1255 | 1185 | 1570 | 1750 | 1950 | 925 | 1010 | 160 |
Чертежи жироотделителей ACO в формате AutoCad
Жироотделители ACO LipuJet-S-OM левый
Жироотделители ACO LipuJet-S-OM правый
BIM модели жироотделителей ACO
Жироотделители ACO LipuJet-S-OM операционная сторона слева
Жироотделители ACO LipuJet-S-OM операционная сторона справа
Lipujet-S-OMP
- Корпус из нержавеющей стали марки 316;
- Патрубки входа и выхода обеспечивают соединение с системой канализации;
- На корпусе предусмотрен патрубок DN100 для подсоединения вентиляционной трубы;
- Между шаровым краном для наполнения водой и сифоном отделителя предусмотрен «разрыв струи»;
- Модель изготавливается в двух вариантах установки инспекционного окна и щита управления – операционная сторона слева или операционная сторона справа, для обеспечения удобства эксплуатации. Выбор варианта зависит от расположения жироотделителя в помещении по отношению к направлению движения канализационного стока;
- Управление процессом откачки выполняется вручную, т.е. все устройства, обеспечивающие откачку и промывку, запускаются техником вручную со щита управления.
Модель оснащена устройствами:
- Система внутренней промывки – насос высокого давления 175 бар и моющая головка с форсунками;
- Отвод напорной трубы для вывода на фасад здания с муфтой для подключения шланга утилизационной машины;
- Инспекционное окно со стеклоочистителем;
- Шаровой кран для наполнения водой и регулятор давления;
- Насос откачки содержимого жироотделителя;
- Щит управления процессом откачки.
- Потребность в электропитании: 400 В/50 Гц/6.9 кВт

Артикулы
Операционная сторона справа
| Пропуск.способность (расход) л/с. | Диаметр патрубков входа выхода | Объем осадка л. | Объем жира л. | Общий объем | Вес кг пустой | Вес кг полный | Артикул |
| NS 1 | DN 100 | 100 | 100 | 320 | 215 | 535 | 7571.84.41 |
| NS 2 | DN 100 | 200 | 100 | 440 | 220 | 660 | 7572.84.41 |
| NS 3 | DN 100 | 300 | 150 | 630 | 240 | 870 | 7573.84.41 |
| NS 4 | DN 100 | 400 | 200 | 830 | 260 | 1090 | 7574.84.41 |
| NS 5.5 | DN 150 | 550 | 360 | 1430 | 335 | 1765 | 7575.84.41 |
| NS 7 | DN 150 | 700 | 400 | 1600 | 345 | 1915 | 7577.84.41 |
| NS 8.5 | DN 1500 | 850 | 475 | 1900 | 385 | 2285 | 7578.84.41 |
| NS 10 | DN 150 | 1000 | 520 | 2000 | 400 | 2400 | 7580.84.41 |
Операционная сторона слева
| Пропуск.способность (расход) л/с. | Диаметр патрубков входа выхода | Объем осадка л. | Объем жира л. | Общий объем | Вес кг пустой | Вес кг полный | Артикул |
| NS 1 | DN 100 | 100 | 100 | 320 | 215 | 535 | 7571.84.31 |
| NS 2 | DN 100 | 200 | 100 | 440 | 220 | 660 | 7572.84.31 |
| NS 3 | DN 100 | 300 | 150 | 630 | 240 | 870 | 7573.84.31 |
| NS 4 | DN 100 | 400 | 200 | 830 | 260 | 1090 | 7574.84.31 |
| NS 5.5 | DN 150 | 550 | 360 | 1430 | 335 | 1765 | 7575.84.31 |
| NS 7 | DN 150 | 700 | 400 | 1600 | 345 | 1915 | 7577.84.31 |
| NS 8.5 | DN 1500 | 850 | 475 | 1900 | 385 | 2285 | 7578.84.31 |
| NS 10 | DN 150 | 1000 | 520 | 2000 | 400 | 2400 | 7580.84.31 |
Размеры
| Пропускная способность (расход) л/с. | L1 мм | L2 мм | L3 мм | L4 мм | H1 мм | H2 мм | H3 мм | H4 мм | H5 мм | B1 мм | B2 мм | B3 мм | B4 мм | D мм |
| NS 1 | 905 | 1100 | 1320 | 115 | 830 | 760 | 1200 | 1380 | 1550 | 675 | 760 | 370 | 800 | 110 |
| NS 2 | 905 | 1100 | 1320 | 115 | 1055 | 985 | 1320 | 1500 | 1700 | 675 | 760 | 370 | 800 | 110 |
| NS 3 | 1255 | 1450 | 1670 | 115 | 1055 | 985 | 1320 | 1500 | 1700 | 675 | 760 | 370 | 800 | 110 |
| NS 4 | 1605 | 1800 | 2020 | 115 | 1055 | 985 | 1320 | 1500 | 1700 | 675 | 760 | 370 | 800 | 110 |
| NS 5.5 | 1655 | 1920 | 2070 | 115 | 1255 | 1185 | 1570 | 1750 | 1950 | 925 | 1010 | 450 | 1000 | 160 |
| NS 7 | 1855 | 2120 | 2270 | 115 | 1255 | 1185 | 1570 | 1750 | 1950 | 925 | 1010 | 450 | 1000 | 160 |
| NS 8.5 | 2155 | 2420 | 2570 | 115 | 1255 | 1185 | 1570 | 1750 | 1950 | 925 | 1010 | 450 | 1000 | 160 |
| NS 10 | 2345 | 2610 | 2760 | 115 | 1255 | 1185 | 1570 | 1750 | 1950 | 925 | 1010 | 450 | 1000 | 160 |
Чертежи жироотделителей ACO в формате AutoCad
Жироотделители ACO LipuJet-S-OMP операционная сторона слева
Жироотделители ACO LipuJet-S-OMP операционная сторона справа
BIM модели жироотделителей ACO
Жироотделители ACO LipuJet-S-OMP операционная сторона слева
Жироотделители ACO LipuJet-S-OMP операционная сторона справа
Артикулы
Операционная сторона справа
| Пропуск.способность (расход) л/с. | Диаметр патрубков входа выхода | Объем осадка л. | Объем жира л. | Общий объем | Вес кг пустой | Вес кг полный | Артикул |
| NS 1 | DN 100 | 100 | 100 | 320 | 215 | 535 | 7571.84.41 |
| NS 2 | DN 100 | 200 | 100 | 440 | 220 | 660 | 7572.84.41 |
| NS 3 | DN 100 | 300 | 150 | 630 | 240 | 870 | 7573.84.41 |
| NS 4 | DN 100 | 400 | 200 | 830 | 260 | 1090 | 7574.84.41 |
| NS 5.5 | DN 150 | 550 | 360 | 1430 | 335 | 1765 | 7575.84.41 |
| NS 7 | DN 150 | 700 | 400 | 1600 | 345 | 1915 | 7577.84.41 |
| NS 8.5 | DN 1500 | 850 | 475 | 1900 | 385 | 2285 | 7578.84.41 |
| NS 10 | DN 150 | 1000 | 520 | 2000 | 400 | 2400 | 7580.84.41 |
Операционная сторона слева
| Пропуск.способность (расход) л/с. | Диаметр патрубков входа выхода | Объем осадка л. | Объем жира л. | Общий объем | Вес кг пустой | Вес кг полный | Артикул |
| NS 1 | DN 100 | 100 | 100 | 320 | 215 | 535 | 7571.84.31 |
| NS 2 | DN 100 | 200 | 100 | 440 | 220 | 660 | 7572.84.31 |
| NS 3 | DN 100 | 300 | 150 | 630 | 240 | 870 | 7573.84.31 |
| NS 4 | DN 100 | 400 | 200 | 830 | 260 | 1090 | 7574.84.31 |
| NS 5.5 | DN 150 | 550 | 360 | 1430 | 335 | 1765 | 7575.84.31 |
| NS 7 | DN 150 | 700 | 400 | 1600 | 345 | 1915 | 7577.84.31 |
| NS 8.5 | DN 1500 | 850 | 475 | 1900 | 385 | 2285 | 7578.84.31 |
| NS 10 | DN 150 | 1000 | 520 | 2000 | 400 | 2400 | 7580.84.31 |
Размеры
| Пропускная способность (расход) л/с. | L1 мм | L2 мм | L3 мм | L4 мм | H1 мм | H2 мм | H3 мм | H4 мм | H5 мм | B1 мм | B2 мм | B3 мм | B4 мм | D мм |
| NS 1 | 905 | 1100 | 1320 | 115 | 830 | 760 | 1200 | 1380 | 1550 | 675 | 760 | 370 | 800 | 110 |
| NS 2 | 905 | 1100 | 1320 | 115 | 1055 | 985 | 1320 | 1500 | 1700 | 675 | 760 | 370 | 800 | 110 |
| NS 3 | 1255 | 1450 | 1670 | 115 | 1055 | 985 | 1320 | 1500 | 1700 | 675 | 760 | 370 | 800 | 110 |
| NS 4 | 1605 | 1800 | 2020 | 115 | 1055 | 985 | 1320 | 1500 | 1700 | 675 | 760 | 370 | 800 | 110 |
| NS 5.5 | 1655 | 1920 | 2070 | 115 | 1255 | 1185 | 1570 | 1750 | 1950 | 925 | 1010 | 450 | 1000 | 160 |
| NS 7 | 1855 | 2120 | 2270 | 115 | 1255 | 1185 | 1570 | 1750 | 1950 | 925 | 1010 | 450 | 1000 | 160 |
| NS 8.5 | 2155 | 2420 | 2570 | 115 | 1255 | 1185 | 1570 | 1750 | 1950 | 925 | 1010 | 450 | 1000 | 160 |
| NS 10 | 2345 | 2610 | 2760 | 115 | 1255 | 1185 | 1570 | 1750 | 1950 | 925 | 1010 | 450 | 1000 | 160 |
Чертежи жироотделителей ACO в формате AutoCad
Жироотделители ACO LipuJet-S-OMP операционная сторона слева
Жироотделители ACO LipuJet-S-OMP операционная сторона справа
BIM модели жироотделителей ACO
Жироотделители ACO LipuJet-S-OMP операционная сторона слева
Жироотделители ACO LipuJet-S-OMP операционная сторона справа
Lipujet-S-OA
- Корпус из нержавеющей стали марки 316;
- Патрубки входа и выхода обеспечивают соединение с системой канализации;
- На корпусе предусмотрен патрубок DN100 для подсоединения вентиляционной трубы;
- Между шаровым краном для наполнения водой и сифоном отделителя предусмотрен «разрыв струи»;
- Модель изготавливается в двух вариантах установки инспекционного окна – операционная сторона слева или операционная сторона справа, для обеспечения удобства контроля за уровнем жира через инспекционное окно. Выбор варианта зависит от расположения жироотделителя в помещении по отношению к направлению движения канализационного стока;
- Управление процессом откачки выполняется в автоматическом режиме, т.е. все устройства, обеспечивающие откачку и промывку, запускаются в соответствии с программой.
Модель оснащена устройствами:
- Система внутренней промывки – насос высокого давления 175 бар и моющая головка с форсунками;
- Отвод напорной трубы для вывода на фасад здания с муфтой для подключения шланга утилизационной машины;
- Инспекционное окно со стеклоочистителем;
- Соленоидный автоматический клапан для подачи и регулятор давления;
- Щит управления процессом откачки.
- Потребность в электропитании: 400 В/50 Гц/3.9 кВт

Артикулы
Операционная сторона справа
| Пропуск.способность (расход) л/с. | Диаметр патрубков входа выхода | Объем осадка л. | Объем жира л. | Общий объем | Вес кг пустой | Вес кг полный | Артикул |
| NS 1 | DN 100 | 100 | 100 | 320 | 165 | 485 | 7571.74.42 |
| NS 2 | DN 100 | 200 | 100 | 440 | 170 | 610 | 7572.74.42 |
| NS 3 | DN 100 | 300 | 150 | 630 | 195 | 825 | 7573.74.42 |
| NS 4 | DN 100 | 400 | 200 | 830 | 215 | 1045 | 7574.74.42 |
| NS 5.5 | DN 150 | 550 | 360 | 1430 | 285 | 1715 | 7575.74.42 |
| NS 7 | DN 150 | 700 | 400 | 1600 | 295 | 1895 | 7577.74.42 |
| NS 8.5 | DN 1500 | 850 | 475 | 1900 | 335 | 2235 | 7578.74.42 |
| NS 10 | DN 150 | 1000 | 520 | 2000 | 350 | 2350 | 7580.74.42 |
Операционная сторона слева
| Пропуск.способность (расход) л/с. | Диаметр патрубков входа выхода | Объем осадка л. | Объем жира л. | Общий объем | Вес кг пустой | Вес кг полный | Артикул |
| NS 1 | DN 100 | 100 | 100 | 320 | 165 | 485 | 7571.74.32 |
| NS 2 | DN 100 | 200 | 100 | 440 | 170 | 610 | 7572.74.32 |
| NS 3 | DN 100 | 300 | 150 | 630 | 195 | 825 | 7573.74.32 |
| NS 4 | DN 100 | 400 | 200 | 830 | 215 | 1045 | 7574.74.32 |
| NS 5.5 | DN 150 | 550 | 360 | 1430 | 285 | 1715 | 7575.74.32 |
| NS 7 | DN 150 | 700 | 400 | 1600 | 295 | 1895 | 7577.74.32 |
| NS 8.5 | DN 1500 | 850 | 475 | 1900 | 335 | 2235 | 7578.74.32 |
| NS 10 | DN 150 | 1000 | 520 | 2000 | 350 | 2350 | 7580.74.32 |
Размеры
| Пропускная способность (расход) л/с. | L1 мм | L2 мм | L3 мм | L4 мм | H1 мм | H2 мм | H3 мм | H4 мм | H5 мм | B1 мм | B2 мм | B3 мм | B4 мм | D мм |
| NS 1 | 905 | 1100 | 1320 | 115 | 830 | 760 | 1200 | 1380 | 1550 | 675 | 760 | 370 | 800 | 110 |
| NS 2 | 905 | 1100 | 1320 | 115 | 1055 | 985 | 1320 | 1500 | 1700 | 675 | 760 | 370 | 800 | 110 |
| NS 3 | 1255 | 1450 | 1670 | 115 | 1055 | 985 | 1320 | 1500 | 1700 | 675 | 760 | 370 | 800 | 110 |
| NS 4 | 1605 | 1800 | 2020 | 115 | 1055 | 985 | 1320 | 1500 | 1700 | 675 | 760 | 370 | 800 | 110 |
| NS 5.5 | 1655 | 1920 | 2070 | 115 | 1255 | 1185 | 1570 | 1750 | 1950 | 925 | 1010 | 450 | 1000 | 160 |
| NS 7 | 1855 | 2120 | 2270 | 115 | 1255 | 1185 | 1570 | 1750 | 1950 | 925 | 1010 | 450 | 1000 | 160 |
| NS 8.5 | 2155 | 2420 | 2570 | 115 | 1255 | 1185 | 1570 | 1750 | 1950 | 925 | 1010 | 450 | 1000 | 160 |
| NS 10 | 2345 | 2610 | 2760 | 115 | 1255 | 1185 | 1570 | 1750 | 1950 | 925 | 1010 | 450 | 1000 | 160 |
Чертежи жироотделителей ACO в формате AutoCad
Жироотделители ACO LipuJet-S-OA операционная система слева
Жироотделители ACO LipuJet-S-OA операционная система справа
BIM модели жироотделителей ACO
Жироотделители ACO LipuJet-S-OA операционная система слева
Жироотделители ACO LipuJet-S-OA операционная система справа
Артикулы
Операционная сторона справа
| Пропуск.способность (расход) л/с. | Диаметр патрубков входа выхода | Объем осадка л. | Объем жира л. | Общий объем | Вес кг пустой | Вес кг полный | Артикул |
| NS 1 | DN 100 | 100 | 100 | 320 | 165 | 485 | 7571.74.42 |
| NS 2 | DN 100 | 200 | 100 | 440 | 170 | 610 | 7572.74.42 |
| NS 3 | DN 100 | 300 | 150 | 630 | 195 | 825 | 7573.74.42 |
| NS 4 | DN 100 | 400 | 200 | 830 | 215 | 1045 | 7574.74.42 |
| NS 5.5 | DN 150 | 550 | 360 | 1430 | 285 | 1715 | 7575.74.42 |
| NS 7 | DN 150 | 700 | 400 | 1600 | 295 | 1895 | 7577.74.42 |
| NS 8.5 | DN 1500 | 850 | 475 | 1900 | 335 | 2235 | 7578.74.42 |
| NS 10 | DN 150 | 1000 | 520 | 2000 | 350 | 2350 | 7580.74.42 |
Операционная сторона слева
| Пропуск.способность (расход) л/с. | Диаметр патрубков входа выхода | Объем осадка л. | Объем жира л. | Общий объем | Вес кг пустой | Вес кг полный | Артикул |
| NS 1 | DN 100 | 100 | 100 | 320 | 165 | 485 | 7571.74.32 |
| NS 2 | DN 100 | 200 | 100 | 440 | 170 | 610 | 7572.74.32 |
| NS 3 | DN 100 | 300 | 150 | 630 | 195 | 825 | 7573.74.32 |
| NS 4 | DN 100 | 400 | 200 | 830 | 215 | 1045 | 7574.74.32 |
| NS 5.5 | DN 150 | 550 | 360 | 1430 | 285 | 1715 | 7575.74.32 |
| NS 7 | DN 150 | 700 | 400 | 1600 | 295 | 1895 | 7577.74.32 |
| NS 8.5 | DN 1500 | 850 | 475 | 1900 | 335 | 2235 | 7578.74.32 |
| NS 10 | DN 150 | 1000 | 520 | 2000 | 350 | 2350 | 7580.74.32 |
Размеры
| Пропускная способность (расход) л/с. | L1 мм | L2 мм | L3 мм | L4 мм | H1 мм | H2 мм | H3 мм | H4 мм | H5 мм | B1 мм | B2 мм | B3 мм | B4 мм | D мм |
| NS 1 | 905 | 1100 | 1320 | 115 | 830 | 760 | 1200 | 1380 | 1550 | 675 | 760 | 370 | 800 | 110 |
| NS 2 | 905 | 1100 | 1320 | 115 | 1055 | 985 | 1320 | 1500 | 1700 | 675 | 760 | 370 | 800 | 110 |
| NS 3 | 1255 | 1450 | 1670 | 115 | 1055 | 985 | 1320 | 1500 | 1700 | 675 | 760 | 370 | 800 | 110 |
| NS 4 | 1605 | 1800 | 2020 | 115 | 1055 | 985 | 1320 | 1500 | 1700 | 675 | 760 | 370 | 800 | 110 |
| NS 5.5 | 1655 | 1920 | 2070 | 115 | 1255 | 1185 | 1570 | 1750 | 1950 | 925 | 1010 | 450 | 1000 | 160 |
| NS 7 | 1855 | 2120 | 2270 | 115 | 1255 | 1185 | 1570 | 1750 | 1950 | 925 | 1010 | 450 | 1000 | 160 |
| NS 8.5 | 2155 | 2420 | 2570 | 115 | 1255 | 1185 | 1570 | 1750 | 1950 | 925 | 1010 | 450 | 1000 | 160 |
| NS 10 | 2345 | 2610 | 2760 | 115 | 1255 | 1185 | 1570 | 1750 | 1950 | 925 | 1010 | 450 | 1000 | 160 |
Чертежи жироотделителей ACO в формате AutoCad
Жироотделители ACO LipuJet-S-OA операционная система слева
Жироотделители ACO LipuJet-S-OA операционная система справа
BIM модели жироотделителей ACO
Жироотделители ACO LipuJet-S-OA операционная система слева
Жироотделители ACO LipuJet-S-OA операционная система справа
Lipujet-S-OAP
- Корпус из нержавеющей стали марки 316;
- Патрубки входа и выхода обеспечивают соединение с системой канализации;
- На корпусе предусмотрен патрубок DN100 для подсоединения вентиляционной трубы;
- Между шаровым краном для наполнения водой и сифоном отделителя предусмотрен «разрыв струи»;
- Модель изготавливается в двух вариантах установки инспекционного окна – операционная сторона слева или операционная сторона справа, для обеспечения удобства контроля за уровнем жира через инспекционное окно. Выбор варианта зависит от расположения жироотделителя в помещении по отношению к направлению движения канализационного стока;
- Управление процессом откачки выполняется в автоматическом режиме, т.е. все устройства, обеспечивающие откачку и промывку, запускаются в соответствии с программой.
Модель оснащена устройствами:
- Система внутренней промывки – насос высокого давления 175 бар и моющая головка с форсунками;
- Отвод напорной трубы для вывода на фасад здания с муфтой для подключения шланга утилизационной машины;
- Инспекционное окно со стеклоочистителем;
- Соленоидный автоматический клапан для подачи и регулятор давления;
- Щит управления процессом откачки.
- Потребность в электропитании: 400 В/50 Гц/3.9 кВт

Артикулы
Операционная сторона справа
| Пропуск.способность (расход) л/с. | Диаметр патрубков входа выхода | Объем осадка л. | Объем жира л. | Общий объем | Вес кг пустой | Вес кг полный | Артикул |
| NS 1 | DN 100 | 100 | 100 | 320 | 215 | 535 | 7571.84.42 |
| NS 2 | DN 100 | 200 | 100 | 440 | 220 | 660 | 7572.84.42 |
| NS 3 | DN 100 | 300 | 150 | 630 | 240 | 870 | 7573.84.42 |
| NS 4 | DN 100 | 400 | 200 | 830 | 260 | 1090 | 7574.84.42 |
| NS 5.5 | DN 150 | 550 | 360 | 1430 | 335 | 1765 | 7575.84.42 |
| NS 7 | DN 150 | 700 | 400 | 1600 | 345 | 1915 | 7577.84.42 |
| NS 8.5 | DN 1500 | 850 | 475 | 1900 | 385 | 2285 | 7578.84.42 |
| NS 10 | DN 150 | 1000 | 520 | 2000 | 400 | 2400 | 7580.84.42 |
Операционная сторона слева
| Пропуск.способность (расход) л/с. | Диаметр патрубков входа выхода | Объем осадка л. | Объем жира л. | Общий объем | Вес кг пустой | Вес кг полный | Артикул |
| NS 1 | DN 100 | 100 | 100 | 320 | 215 | 535 | 7571.84.32 |
| NS 2 | DN 100 | 200 | 100 | 440 | 220 | 660 | 7572.84.32 |
| NS 3 | DN 100 | 300 | 150 | 630 | 240 | 870 | 7573.84.32 |
| NS 4 | DN 100 | 400 | 200 | 830 | 260 | 1090 | 7574.84.32 |
| NS 5.5 | DN 150 | 550 | 360 | 1430 | 335 | 1765 | 7575.84.32 |
| NS 7 | DN 150 | 700 | 400 | 1600 | 345 | 1915 | 7577.84.32 |
| NS 8.5 | DN 1500 | 850 | 475 | 1900 | 385 | 2285 | 7578.84.32 |
| NS 10 | DN 150 | 1000 | 520 | 2000 | 400 | 2400 | 7580.84.32 |
Размеры
| Пропускная способность (расход) л/с. | L1 мм | L2 мм | L3 мм | L4 мм | H1 мм | H2 мм | H3 мм | H4 мм | H5 мм | B1 мм | B2 мм | B3 мм | B4 мм | D мм |
| NS 1 | 905 | 1100 | 1850 | 650 | 830 | 760 | 1200 | 1380 | 1550 | 675 | 760 | 370 | 800 | 110 |
| NS 2 | 905 | 1100 | 1850 | 650 | 1055 | 985 | 1320 | 1500 | 1700 | 675 | 760 | 370 | 800 | 110 |
| NS 3 | 1255 | 1450 | 2200 | 650 | 1055 | 985 | 1320 | 1500 | 1700 | 675 | 760 | 370 | 800 | 110 |
| NS 4 | 1605 | 1800 | 2550 | 650 | 1055 | 985 | 1320 | 1500 | 1700 | 675 | 760 | 370 | 800 | 110 |
| NS 5.5 | 1655 | 1920 | 2600 | 650 | 1255 | 1185 | 1570 | 1750 | 1950 | 925 | 1010 | 450 | 1000 | 160 |
| NS 7 | 1855 | 2120 | 2800 | 650 | 1255 | 1185 | 1570 | 1750 | 1950 | 925 | 1010 | 450 | 1000 | 160 |
| NS 8.5 | 2155 | 2420 | 3100 | 650 | 1255 | 1185 | 1570 | 1750 | 1950 | 925 | 1010 | 450 | 1000 | 160 |
| NS 10 | 2345 | 2610 | 3300 | 650 | 1255 | 1185 | 1570 | 1750 | 1950 | 925 | 1010 | 450 | 1000 | 160 |
Чертежи жироотделителей ACO в формате AutoCad
Жироотделители ACO LipuJet-S-OAP операционная система слева
Жироотделители ACO LipuJet-S-OAP операционная система справа
BIM модели жироотделителей ACO
Жироотделители ACO LipuJet-S-OAP операционная система слева
Жироотделители ACO LipuJet-S-OAP операционная система справа
Артикулы
Операционная сторона справа
| Пропуск.способность (расход) л/с. | Диаметр патрубков входа выхода | Объем осадка л. | Объем жира л. | Общий объем | Вес кг пустой | Вес кг полный | Артикул |
| NS 1 | DN 100 | 100 | 100 | 320 | 215 | 535 | 7571.84.42 |
| NS 2 | DN 100 | 200 | 100 | 440 | 220 | 660 | 7572.84.42 |
| NS 3 | DN 100 | 300 | 150 | 630 | 240 | 870 | 7573.84.42 |
| NS 4 | DN 100 | 400 | 200 | 830 | 260 | 1090 | 7574.84.42 |
| NS 5.5 | DN 150 | 550 | 360 | 1430 | 335 | 1765 | 7575.84.42 |
| NS 7 | DN 150 | 700 | 400 | 1600 | 345 | 1915 | 7577.84.42 |
| NS 8.5 | DN 1500 | 850 | 475 | 1900 | 385 | 2285 | 7578.84.42 |
| NS 10 | DN 150 | 1000 | 520 | 2000 | 400 | 2400 | 7580.84.42 |
Операционная сторона слева
| Пропуск.способность (расход) л/с. | Диаметр патрубков входа выхода | Объем осадка л. | Объем жира л. | Общий объем | Вес кг пустой | Вес кг полный | Артикул |
| NS 1 | DN 100 | 100 | 100 | 320 | 215 | 535 | 7571.84.32 |
| NS 2 | DN 100 | 200 | 100 | 440 | 220 | 660 | 7572.84.32 |
| NS 3 | DN 100 | 300 | 150 | 630 | 240 | 870 | 7573.84.32 |
| NS 4 | DN 100 | 400 | 200 | 830 | 260 | 1090 | 7574.84.32 |
| NS 5.5 | DN 150 | 550 | 360 | 1430 | 335 | 1765 | 7575.84.32 |
| NS 7 | DN 150 | 700 | 400 | 1600 | 345 | 1915 | 7577.84.32 |
| NS 8.5 | DN 1500 | 850 | 475 | 1900 | 385 | 2285 | 7578.84.32 |
| NS 10 | DN 150 | 1000 | 520 | 2000 | 400 | 2400 | 7580.84.32 |
Размеры
| Пропускная способность (расход) л/с. | L1 мм | L2 мм | L3 мм | L4 мм | H1 мм | H2 мм | H3 мм | H4 мм | H5 мм | B1 мм | B2 мм | B3 мм | B4 мм | D мм |
| NS 1 | 905 | 1100 | 1850 | 650 | 830 | 760 | 1200 | 1380 | 1550 | 675 | 760 | 370 | 800 | 110 |
| NS 2 | 905 | 1100 | 1850 | 650 | 1055 | 985 | 1320 | 1500 | 1700 | 675 | 760 | 370 | 800 | 110 |
| NS 3 | 1255 | 1450 | 2200 | 650 | 1055 | 985 | 1320 | 1500 | 1700 | 675 | 760 | 370 | 800 | 110 |
| NS 4 | 1605 | 1800 | 2550 | 650 | 1055 | 985 | 1320 | 1500 | 1700 | 675 | 760 | 370 | 800 | 110 |
| NS 5.5 | 1655 | 1920 | 2600 | 650 | 1255 | 1185 | 1570 | 1750 | 1950 | 925 | 1010 | 450 | 1000 | 160 |
| NS 7 | 1855 | 2120 | 2800 | 650 | 1255 | 1185 | 1570 | 1750 | 1950 | 925 | 1010 | 450 | 1000 | 160 |
| NS 8.5 | 2155 | 2420 | 3100 | 650 | 1255 | 1185 | 1570 | 1750 | 1950 | 925 | 1010 | 450 | 1000 | 160 |
| NS 10 | 2345 | 2610 | 3300 | 650 | 1255 | 1185 | 1570 | 1750 | 1950 | 925 | 1010 | 450 | 1000 | 160 |
Чертежи жироотделителей ACO в формате AutoCad
Жироотделители ACO LipuJet-S-OAP операционная система слева
Жироотделители ACO LipuJet-S-OAP операционная система справа
BIM модели жироотделителей ACO
Жироотделители ACO LipuJet-S-OAP операционная система слева
Жироотделители ACO LipuJet-S-OAP операционная система справа










